| Buy NowBuy Now | Development Tools | Technical Documents | Video | Features | Kit Contents |
![]() | Kit Overview
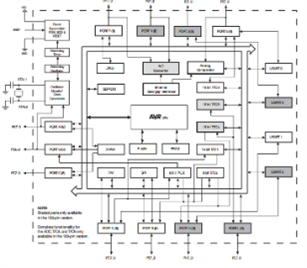
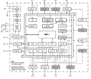
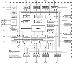
The Arduino Mega 2560Arduino Mega 2560 is a microcontroller board based on the ATmega2560ATmega2560. The ATmega2560 is a low-power CMOS 8-bit microcontroller based on the AVR enhanced RISC architecture. By executing powerful instructions in a single clock cycle, the ATmega2560ATmega2560 achieves throughputs approaching 1 MIPS per MHz allowing the system designer to optimize power consumption versus processing speed. The Mega 2560 is an update to the Arduino Mega, which it replaces.
The productLinkproductLinkArduino Mega 2560Arduino Mega 2560 has 54 digital input/output pins (of which 14 can be used as PWM outputs), 16 analog inputs, 4 UARTs (hardware serial ports), a 16 MHz crystal oscillator, a USB connection, a power jack, an ICSP header, and a reset button. It contains everything needed to support the microcontroller; simply connect it to a computer with a USB cable or power it with a AC-to-DC adapter or battery to get started. The Mega is compatible with most shields designed for the Arduino Duemilanove or Diecimila.
Revision 2 of the Mega2560 board (A000047A000047) has a resistor pulling the 8U2 HWB line to ground, making it easier to put into DFU mode.
Revision 3 of the Arduino Mega 2560 board (A000067A000067) has the following new features:
Ordering option:
Key Applications: Building Automation, Industrial Automation. | |||||||
| ||||||||
Development Tools
Software Development Tools:
| Tool Type | Supplier | MPN | Supported Family | Description |
|---|---|---|---|---|
| IDE | Atmel |
ALL AVR | Atmel Studio 6 Integrated Development Environment (IDE) is the integrated development environment (IDE) for developing and debugging Atmel ARM | |
| RTOS | Micrium | AVR / AVR32 | μC/OS-III is Micrium’s newest RTOS, designed for developers who need to save time on their current and next embedded sytem projects. Learn More | |
| RTOS | Segger | AVR32 | SEGGER embOS (Real Time Operating System) follows strict, yet efficient coding and documentation standards. embOS is a priority-controlled real time operating system, designed to be used as foundation for the development of embedded real-time applications. Learn More |
Hardware Development Tools:
| Tool Type | Supplier | MPN | Supported Family | Description |
|---|---|---|---|---|
| Debuggers, Emulators & JTAG Tools | Atmel | ATAVRDRAGONATAVRDRAGON | AVR UC3 / AVR XMEGA / megaAVR / tinyAVR | AVR Dragon JTAG Debugger Starter Kit for for 8-bit and 32-bit AVR devices |
| Debuggers, Emulators & JTAG Tools | Atmel | ATAVRONEKITATAVRONEKIT | AVR UC3 / AVR XMEGA / megaAVR / tinyAVR | AVR ONE! professional development tool for all Atmel 8-bit and 32-bit AVR devices |
| Debuggers, Emulators & JTAG Tools | Atmel | ATJTAGICE2ATJTAGICE2 | AVR UC3 / AVR XMEGA / megaAVR / tinyAVR | AVR JTAGICE mkII mid-range development tool for Atmel 8-bit and 32-bit AVR devices |
| Debuggers, Emulators & JTAG Tools | Atmel | ATAVRISP2ATAVRISP2 | AVR XMEGA / megaAVR / tinyAVR | AVRISP mkII Programmer for field upgrades of Atmel 8-bit AVR microcontrollers with ISP or PDI interfaces |
Technical Documents
Learning Center
| Type | Description |
|---|---|
| Datasheet | Atmel: ATmega640/1280/1281/2560/2561 Datasheet (Complete) |
| Application Note | Atmel: Best Practices for the PCB layout of Oscillators |
| Application Note | Atmel: Low-Jitter Multi-Channel SoftwarePWM |
| Application Note | Atmel: USB Host Android Accessory |
| Application Note | Atmel:Software Emulation of TWI Slave Hardware Module |
| Application Note | Atmel: Android Accessory Demo |
| Application Note | Atmel: RC5 IR Remote Control Transmitter |
Design Elements
| Type | Description |
|---|---|
| Schematics | Arduino: Mega2560 Schematic_R3 |
| Reference Design | Arduino: Mega2560 Reference Design_R3 |
| Code Snippet | Arduino: Sample Code for Stepper Library |
| Code Snippet | Arduino: Sample Code for LiquidCrystal - "Hello World!" |
Video
Kit Features
- Microcontroller: ATmega2560ATmega2560
- Input Voltage (recommended): 7-12VOperating Voltage 5V
- Input Voltage (limits): 6-20V
- Digital I/O Pins: 54 (of which 15 provide PWM output)
- Analog Input Pins: 16
- DC Current per I/O Pin: 40mA
- DC Current for 3.3V Pin: 50mA
- SRAM: 8KBFlash Memory 256KB of which 8 KB used by bootloader
- EEPROM: 4KB
- Clock Speed: 16MHz
Kit Contents
- 1 Arduino Mega 2560 board
- The ATmega2560 on the Arduino Uno comes preburned with a bootloader

