| BUY NOWBUY NOW | Development Tools | Technical Documents | Video | Features | Kit Contents | 
Overview
 The IAR KickStart Kit 
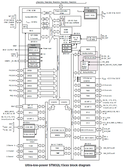
 The ultra-low-power STM32L15xxx incorporates the connectivity power of the universal serial bus (USB) with the high-performance ARM Cortex 
 The integrated LCD controller has a built-in LCD voltage generator that allows you to drive up to 8 multiplexed LCDs with contrast independent of the supply voltage. The ultra-low-power STM32L15xxx operates from a 1.8 to 3.6 V power supply (down to 1.65 V at power down) with BOR and from a 1.65 to 3.6 V power supply without BOR option. It is available in the -40 to +85 °C temperature range, extended to 105°C in low power dissipation state. A comprehensive set of power-saving modes allows the design of low-power applications. 
 Key Applications: Medical and handheld equipment, Application control and user interface, PC peripherals, gaming, GPS and sport equipment, Alarm systems, Wired and wireless sensors, Video intercom, Utility metering.  | ||||||||||||
  | ||||||||||||
Development Tools
Software Development Tools:
| Tool Type | Supplier | MPN | Supported Family | Description | 
|---|---|---|---|---|
| IDE | ARM | Keil MDK-ARM | ARM Cortex | The MDK-ARM is a complete software development environment for Cortex | 
| RTOS | Micrium | µC/OS-II | STM ARM MCU's | µC/OS-II, the Real-Time Kernel, is a portable, ROMable, scalable, preemptive, real-time deterministic multitasking kernel for microprocessors, microcontrollers and DSPs. Offering unprecedented ease-of-use, µC/OS-II is delivered with complete source code and in-depth documentation. Learn More | 
| RTOS | Micrium | µC/OS-III | STM ARM MCU's | μC/OS-III is Micrium’s newest RTOS, designed for developers who need to save time on their current and next embedded sytem projects. Using a commercial real-time kernel such as μC/OS-III provides a solid foundation and framework to the design engineer dealing with the growing complexity of embedded designs. Learn More | 
| RTOS | Segger | embOS | ARM Cortex | embOS is a priority-controlled real time operating system, designed to be used as foundation for the development of embedded real-time applications. It is a zero interrupt latency, high-performance RTOS that has been optimized for minimum memory consumption in both RAM and ROM, as well as high speed and versatility. Learn More | 
Hardware Development Tools:
| Tool Type | Supplier | MPN | Supported Family | Description | 
|---|---|---|---|---|
| Debugger / Programmer | STMicroelectronics | ST-LINK/V2ST-LINK/V2 | STM8 / STM32 | ST-LINK/V2 In-circuit Debugger and Programmer for the STM8 and STM32 MCUs | 
| Debugger / Programmer | STMicroelectronics | STX-RLINKSTX-RLINK | STM8 / ST7 / µPSD / STM32 / STR7 / STR9 | STX-RLINK In-circuit Debugger and Programmer for a complete range of STMicroelectronics microcontrollers (STM8, ST7, µPSD, STM32, STR7 and STR9) | 
| Emulator / Debugger / Programmer | ARM | ULINK2ULINK2 | ARM Cortex | ULINK2 Debug Adapter | 
| Emulator / Debugger / Programmer | ARM | ULINKProULINKPro | ARM Cortex | ULINKpro Debug and Trace Unit | 
| Emulator | Segger | J-LinkJ-Link | ARM Cortex | JTAG/SWD Emulator with USB interface | 
| Programmer | Segger | Flasher ARMFlasher ARM | ARM Cortex | Flash Programmer for ARM and Cortex cores | 
Technical Documents
Learning Center
Design Elements
| Type | Description | 
|---|---|
| Simulation Model | STMicroelectronics: STM32 Boundary Scan Description Language (BSDL) files  | 
Video
Kit Features
- Full-featured KickStart
development board with STM32L152VBSTM32L152VB MCU
 - Embedded J-Link in-circuit debugger/programmer with USB interface to host PC and 20-pin JTAG application interface
 - Small 19-pin trace tool connector
 - Graphic LCD display
 - USB connector
 - AN-TR wheel
 - Wake-up button
 - User button
 - Reset button
 - Power LED
 - User LEDs
 - 4 power options: J-Link (JTAG pin 19), trace connector (pin 11and 13), USB or external power supply
 - PWM routed to LED
 - USART routed to DB9 connector
 - UEXT connector
 - Prototyping area
 - RoHS Regulation (Directive 2002/95/EC) compliant
 - The IAR Embedded WorkBench
for ARM (EWARM) software package with:
- KickStart
C/C++ compiler for output of code up to 32 Kbytes
 - VisualSTATE
code generator, 20-state version
 - C-SPY
high-level language debugger
 - Editor, linker and librarian tools
 
 - KickStart
 
Kit Contents
The STMicroelectronics STM32L152-SK/IARSTM32L152-SK/IAR IAR starter kit supplied with below contents:
- Evaluation board with STM32L152VBSTM32L152VB MCU
 - IAR Embedded Workbench for ARM 32K limited edition
 - IAR visualSTATE 20-state evaluation edition Embedded IAR J-Link Lite for ARM debug probe
 - Example applications made for the STM32L152VBSTM32L152VB board
 - RTOS board support from IAR Systems RTOS partners
 
| Back to top | 

			    
