| Buy Now | Development Tools | Technical Documents | Video | Features | Kit Contents | 
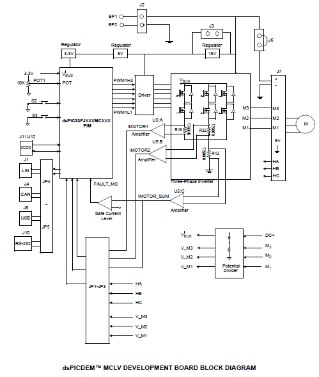
![]()  | Kit Overview The dsPICDEMTM MCLV Development Board DM330021 provides a cost-effective method of evaluating and developing sensored or sensorless Brushless DC (BLDC) and permanent magnet synchronous motor control applications. The board supports Microchip’s 28-pin SOIC and 100-pin Plug-In-Modules with dsPIC33F Digital Signal Controllers. A dsPIC33FJ32MC204 based PIM (MA330017 ) is included. The board is capable of controlling motors rated up to 48V and 15 Amps, with multiple communication channels such as USB, CAN, LIN and RS-232. 
 The dsPICDEMTM MCLV Development Board is targeted to control a Brushless DC (BLDC) motor or Permanent Magnet Synchronous Motor (PMSM) in sensor or sensorless operation. This flexible and cost-effective board can be configured in different ways for use with Microchip’s specialized motor control digital signal controllers. The dsPICDEMTM MCLV Development Board supports the dsPIC33F motor control device family. It offers a mounting option to connect either a 28-pin SOIC device or a generic 100-pin Plug-In Module (PIM). A dsPIC33FJ32MC204 based PIM (MA330017 ) is included. The board also has a three-phase inverter bridge circuit. The circuit drives a BLDC or PMSM motor using different control techniques without requiring any additional hardware. The dsPICDEMTM MCLV Development Board DM330021 Supports AC002013 24V Power supply Plug-in card. 
 Ordering Information: 
 
 Key Applications: Sensorless BLDC Control with Back-EMF Filtering, Sensorless Field Oriented Control of a PMSM, Sensored Trapezoidal BLDC Motor Control, Sensored Sinusoidal Control of PMSM Motors.  | |||||||||||
  | ||||||||||||
Development Tools
Software Development Tools:
| Tool Type | Supplier | MPN | Supported Family | Description | 
|---|---|---|---|---|
| IDE | Microchip | MPLAB IDE | PIC/dsPIC | MPLAB IDE for all Microchip platforms. Learn More  | 
| RTOS | Micrium | uC/OS III | PIC24, dsPIC33, PIC32 (MIPS) | μC/OS-III is Micrium’s newest RTOS, designed for developers who need to save time on their current and next embedded sytem projects. Using a commercial real-time kernel such as μC/OS-III provides a solid foundation and framework to the design engineer dealing with the growing complexity of embedded designs. Learn More  | 
| RTOS | Segger | embOS | PIC18/PIC24F/PIC24H | SEGGER embOS (Real Time Operating System) follows strict, yet efficient coding and documentation standards. embOS is a priority-controlled real time operating system, designed to be used as foundation for the development of embedded real-time applications. Learn More  | 
Hardware Development Tools:
| Tool Type | Supplier | MPN | Supported Family | Description | 
|---|---|---|---|---|
| Debuggers, Emulators & JTAG Tools | Microchip | DV244005 | PIC/dsPIC | MPLAB REAL ICE In-Circuit-Emulator | 
| Debuggers, Emulators & JTAG Tools | Microchip | DV164035 | PIC/dsPIC | MPLAB ICD 3 In-Circuit-Debugger | 
| Debuggers, Emulators & JTAG Tools | Microchip | PG164130 | PIC/dsPIC | MPLAB PICkit 3 Debugger Programmer | 
Technical Documents
Learning Center
Design Elements
| Type | Description | 
|---|---|
| Application Library | Microchip: AN957 - Source Code for dsPIC33FJ32MC204 and dsPICDEM MCLV | 
| Application Library | Microchip: AN1017 Source Code for dsPIC33FJ32MC204 and dsPICDEM MCLV | 
| Application Library | Microchip: Software Solutions and Tools for the 16-bit and 32-bit Designer | 
Video
Kit Features
Motor Control Interfaces:
- Three-phase inverter bridge with a power rating of 48V/15A
 - Hall sensors/quadrature encoder interface for sensored motor control
 - Phase voltage feedback for sensorless BLDC operation
 - DC bus current sense resistor for single shunt vector control
 - Phase current sense resistor for dual shunt vector control
 - Overcurrent protection
 - Input/output control switches
 - Potentiometer
 - LED indicator for PWM outputs
 
Power Supply Connectors:
- Auxiliary power tab “fast-on” connectors for the controller and power stage
 - 24V power input connector for the controller
 - Dedicated power input connector for the power stage
 
Communication Interfaces:
- CAN interface port
 - LIN interface port
 - UART communication via USB
 - UART communication via RS-232
 
Programming Interfaces:
- ICSP
connector for programming a dsPIC DSC device
 - RJ11 connector for programming a dsPIC DSC device
 - ICSP connector for programming the PIC18LF2450-I/SP USB to UART bridge
 
Kit Contents
- dsPICDEM MCLV DEVELOPMENT BOARD
 - USB Cable Assembly
 - Screw Driver
 - Documentation CD consisting of :  
- Motor Control Software
 - User Guide and Other Documentation
 
 
			    




