hello,
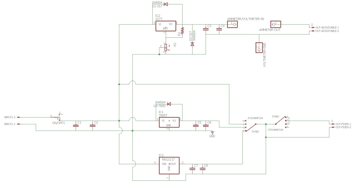
I started drawing in eagle this afternoon to make my first home made pbc board for a bench power supply that with an input of 12V/5A will have two output of 12V, 5V, 3.3V and an adjustable voltage (lm317)
the switches are these with ground in the middle
I hope that the schematic is clear (it is also in the attachments), maybe you could give me some hint or advice about something that i m doing wrong
about the .brd i didn't route it since maybe you will say me to modify my schematic
thanks in advance






