Introduction
Within the Experimenting with Magnetic Components Challenge I am conducting experiments to develop an smart coin discriminator using inductive sensitivity.
In my previous blog I experimented with colpitts oscillators with BJT transistors in common base mode. I continue with the experiments with colpitts oscillators but this time using Op Amps. I have done tests with three different op amps getting different results. I have had problems with noise and bad connections on the breadboard and have done different experiments both to minimize noise by changing the arrangement of the components on the breadboard and applying common mode and differential mode filters.
-
EXPERIMENTS
- #E10 Op Amp Colpitts Oscillator - Ltspice simulations
- #E11 Testing with the ADTL082 Op Amp
- #E12 Testing with the NE5532 Op Amp
- #E13 Testing with the OP27 Op Amp
- #E14 Identifying stability problems due to breadboard
- #E15 Experimenting with different layouts of the components on the breadboard.
- #E16 Experimenting with solid ground under the LC tank.
- #E17 Creating breadboard adapters for SMD components: transformers and common mode chokes.
- #E18 Experimenting with Common-Mode Chokes for common mode noise suppression.
- Conclusions
- References
EXPERIMENTS
#E10 Op Amp Colpitts Oscillator - Ltspice simulations
As well as using a bipolar junction transistor as the oscillators active stage, we can also use an operational amplifier. Negative feedback can be used for op amp oscillators. A part of the output signal is sampled and then added to the out-of-phase input signal (it is subtracted). In doing so, the circuit sees the difference between the input and the output. If the output signal is too large, the difference will be negative. On the contrary, the difference signal will be positive if the output is too small.
This signal is then multiplied by the gain of the circuit and cancels the output error. This process is carried out continuously; the only time delays involved are the propagation delays of the circuits used.
In an inverting amplifier, the output voltage changes in an opposite direction to the input voltage.
Simulation with the LT1413 Op Amp
Requirements:
- Phase Shift = 0 deg
- |Av|B=1
Being an inverting amplifier configuration, the ratio of Rf/R1 sets the amplifiers gain.
Resistor R3 provides the required feedback to the LC tank circuit.
- When | Ab | it is small the system is not able to maintain the oscillation.
- When | Av | is large the resulting wave is excessively wide and will be clipped and distorted
Calculations
- C1 = 220nF, C2 = 220nF, L = 1mH
- fr = 1/2*pi*SQRT(L * CT)
- CT = (C1 * C2) / (C1 + C2) = 110nF
- fr = 15.174 KHz
- |Av| =Rf/R1 = 30/3 = 3
- B = Z1/(Z1+Z3) = 10.335 / (10.335 + 20.670) = 0,3333
- |Av|*B ~= -1
Transient response
12.759 kHz
Real inductors: DCR and Q factor
An inductor contains some low value resistance associated with its inductance property. During the flow of DC supply, Inductors provide resistance to the flow of current. This DC resistance is referred to as DCR which stands for DC resistance.
The DCR represents the amount of resistance an inductor can offer when a DC signal is passed through it. All inductors have a small value of DCR associated with them.
The DCR of an inductor is due to the resistance of the coil using which the inductor is made. The resistance of the coil is proportional to the length of the wire used to form the coil, and the length of coil is also proportional to the inductance value of the Inductor. Higher value inductors impose high resistance and low-value inductors provide low resistance. A large value of inductance requires higher winding numbers than the low-value inductors, thus increasing the copper wire length.
The DCR dissipates heat and reduces efficiency like any other resistor with a voltage drop across it.
Quality factor or Q factor is a dimensionless parameter that describes how underdamped an oscillator or resonator is. https://en.wikipedia.org/wiki/Q_factor
The efficiency Q, called the Q-factor, is measured using this formula: Q = 2*pi*f* (L/R)
L is the inductive reactor and R is the resistance of the Inductor at a particular frequency.
Higher the Q factor is, higher will be the efficiency. In real Inductors, the Q factor is dependable in DCR.
Inductors with a high value of Q factor are used in the RF circuits where a capacitor is used in parallel with it to form a resonant tank circuit.The high value of the Q factor of an inductor helps to balance the upper and lower frequency of the resonant circuit operating in a continuous band frequency.
#E11 Testing with the ADTL082 Op Amp
For the first experiments I use an ADTL082 JFET op amp included in the ADALP2000ADALP2000 kit from Analog Devices
ADTL082 Datasheet and Product Info | Analog Devices
Ltspice Simulation with the ADTL082 Op Amp.
The circuit built on a breadboard. I tested several layouts for the elements by first prioritizing the display of the components and then minimizing the paths. See below the section on problems with the use of breadboards with oscillators.
And the results with the ADTL082
after adjusting freq 15.16kHz
Testing the inductive sensing with the euro coin series.
The separation between the response to the proximity of the different euro coins is not as good as the one required by the discriminator. I need to fine tune the oscillator frequency with the resonant frequency of the LC tank.
#E12 Testing with the NE5532 Op Amp
I first tried an LM741 op amp but it didn't give me good results so I tried later with a NE5532. The main reason is that I had them at home and their bandwidth is 10 times that of the LM741
NE5532x, SA5532x Dual Low-Noise Operational Amplifiers datasheet (Rev. J)
For these experiments I used the isolated 47uH RF choke https://www.element14.com/community/view-product.jspa?fsku=1695187&nsku=86K8271&COM=noscript
Product LinkProduct Link
https://www.element14.com/community/view-product.jspa?fsku=1695187&nsku=86K8271&COM=noscriptProduct Link
https://www.farnell.com/datasheets/2360326.pdf
The tuning of the rf and R1 resistors is quite critical so that the signal is not clipping
After tuning with the values of the feedback gain resistors things got better.
#E13 Testing with the OP27 Op Amp
https://www.analog.com/media/en/technical-documentation/data-sheets/OP27.pdf
The OP27 is a low noise, precision operational amplifier.
Results have been better than with previous op amps tested.
I try to lower the frequency of the oscillator using the 1.8 mH RF inductor but unfortunately it is broken, it has no continuity.
#E14 Identifying stability problems due to breadboard
I've learned the hard way how complicated it is to experiment with oscillators on a breadboard.
The results are often not repeatable so I will see how bad the impedance measurement of the pi-shaped oscillator circuit could be.
I use an insulated coil, RF Choke 47uF, to see the effect of having the components in a breadboard. I do different tests by moving the three components around and lengthening and shortening the distances between them. As can be seen in the plot, the behavior changes significantly between arrangements, which will not guarantee the necessary stability for the oscillator. The additional breadboard capacitance would present problems affects the oscillator. Glitches due to poor wire connections. Some parts are not through hole 0.1" (2.54mm)
#E15 Experimenting with different layouts of the components on the breadboard.
For this experiment I use
- For the LC tank: The RLB1112V4 Series 400 Volt Radial Inductor. It is a radial lead through-hole power inductor with ferrite core made with enameled copper.
Datasheet: https://www.bourns.com/docs/Product-Datasheets/rlb1112v4.pdf
I have not found the reference in the farnell store but I did find another Bourns inductor of the same series the https://www.element14.com/community/view-product.jspa?fsku=2673804RL&nsku=&COM=noscriptRLB1112V4
Product LinkProduct Link
- For the oscillator: Inductor, Radial, Serie RLB, 1 mH, 300 mA, 2.1 R, ± 10% RLB0914-102KLRLB0914-102KL
First layout to clearly show the different parts of the circuit. And in that way, accidentally, make it unstable.
New layout trying to reduce problems with the breadboard.
The two inductors are too close. It improves the stability of the oscillator somewhat but is difficult to adjust without touching a component.
15.507 kHz
#E16 Experimenting with solid ground under the LC tank.
To see if the quality of the circuit on the breadboard improves, I decide to put a solid earth under the breadboard.
Some noise disappears but ...
...when testing the inductive sensitivity the LC tank almost totally loses sensitivity.
So for a next experiment I decide to move the LC tank away with a twisted-pair wire and use a common noise suppression filter.
#E17 Creating breadboard adapters for SMD components: transformers and common mode chokes.
Several of the kit components are for SMD mounting. Since I want to do quick tests I decide to build breadboard adapters for all of them. This is the result.
| Pulse Transformer, 300µH | Specs |
| Pulse, Transformer, 250µH | Specs |
| Line Filter, 51µH | Specs |
| Common Mode Choke, 12.5 µH | Specs |
| Common Mode Choke, 9 µH | Specs |
| Common Mode Choke, 7.5 µH | Specs |
| Common Mode Inductor, 470µH | Specs |
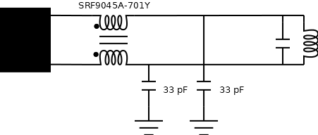
#E18 Experimenting with Common-Mode Chokes for common mode noise suppression.
There are two important types of signals to consider when looking at the effects of EMI.
- Differential mode signals: they appear on the two lines of a closed circuit, of equal magnitude and opposite direction. Long traces or the omission of a poor supply often cause differential mode signals.
- Common mode signals that appear on the two lines of a closed loop, but are of unequal magnitude, resulting in a net current flow in one direction. Common mode radiation is one of the typical sources of EMI problems, especially with signals that have a large di/dt or dv/dt component. Common mode signal sources include return paths that have a common or shared impedance with noise signals or inadvertent coupling to a reference ground or metal chassis through stray capacitance.
I try to integrate a common mode filter. A common mode choke produces a high impedance node that prevents common mode signals from coupling to the system. Chokes should be placed as close to the device under test as possible. Any common mode signal that travels through the device will have a short path, minimizing the possibility of any radiation, before being filtered by the chokes.
Common mode choke coil Suppresses common mode noise.
SRF9045A Series Common Mode Chokes (bourns.com)
SRF9045A-701Y
Product LinkProduct Link
Work in progress...
I still have no clear results on how the filter affects. I see changes in the response but I don't know if they are due to mounting on the breadboard. At least the oscillator and the LC tnk are still working with the filter.
Conclusions
In the previous blog I dealt with oscillators and Colpitts using BJT transistors. As a disadvantage I needed a transformer to isolate the oscillator from the load and I had poor results for low frequencies. As I want to use the ADCs of an Arduino BLE sense microcontroller, I have to use frequencies of a few kilohertz.
- It seems a good solution to use an oscillator with op-amp for that frequency range
- and a bad solution to use a breadboard.
References






































