Prior posts in the PiCasso Design Challenge:
PiCasso Design Challenge - Kinetic Art Mobile - Post 1
PiCasso Design Challenge - Kinetic Art Mobile - Post 2
PiCasso Design Challenge - Kinetic Art Mobile - Post 3 - Will it go round in circles????
PiCasso Design Challenge - Kinetic Art Mobile - Post 4 - Crash of the Death Star
Things have been crazy here lately. I have been very busy trying to finish out the interior of my new workshop, while attempting to keep my PiCasso project moving. I have stuck in a re-design cycle, where I have been moving components from board to board, trying to get everything to fit, in a reasonable way. After multiple re-starts on the design, I think I have a workable design.
There are several different requirements on the design that have made it fairly difficult to find the right approach. Here are a few of them:
- uniform LED spacing to allow proper illumination of the orb and to allow some 'animations' based on different LED color patterns and sequences.
- relatively high power (LED and Fan power)
- fan speed control (based on programmable constant current)
- BLE transciever
- Magnetic compass and accelerometer
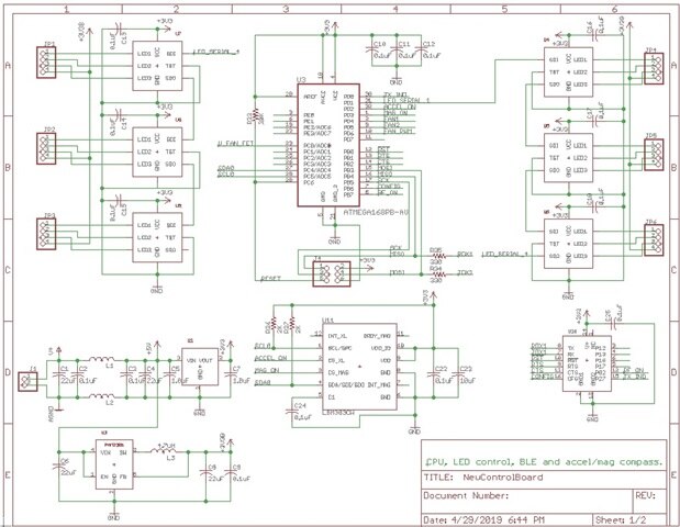
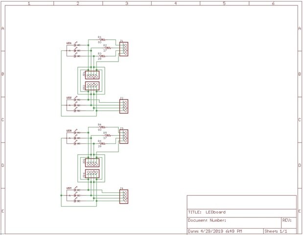
I went through several trade off, trying to keep all of the high speed stuff on a single board, versus the space required for connectors should I distribute the components across multiple boards. Here is what I ended up with:
The Main PCB is riddled with 12 - 0.1" holes to allow additional air flow, through the board, into the fans below (there will also be some airflow around the board edges). I will be trimming the PCB into a circle, as my PCB vendor (lower cost) only allows for rectangular boards. The LED boards are sort of a universal design that will be connected to the main PCB, providing pairs of LEDs along the circumference of orb and a single LED providing downward lighting (right angle mounted, hacked LED PCB). This will provide me with 18 - fully programmable RGB LED to illuminate the sides and bottom of the orbs.
Here are the schematics of the main controller and LED board:
I will need to send these boards of soon and order up parts for the board, but for now, I heading out to the workshop to install drywall and lighting.
Thanks for reading along. I hope that I can get this project moving along a bit faster, so I can meet the deadlines.
Thanks,
Gene





Top Comments