Hi There,
I am trying to get Midas LCD (http://www.farnell.com/datasheets/2825693.pdf?_ga=2.133739021.2051231456.1578547647-151509622.1578547647 ) working with pocket beagle.
I have tried mainly three different configuration but none of them seem to work.
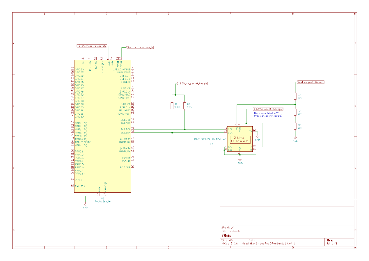
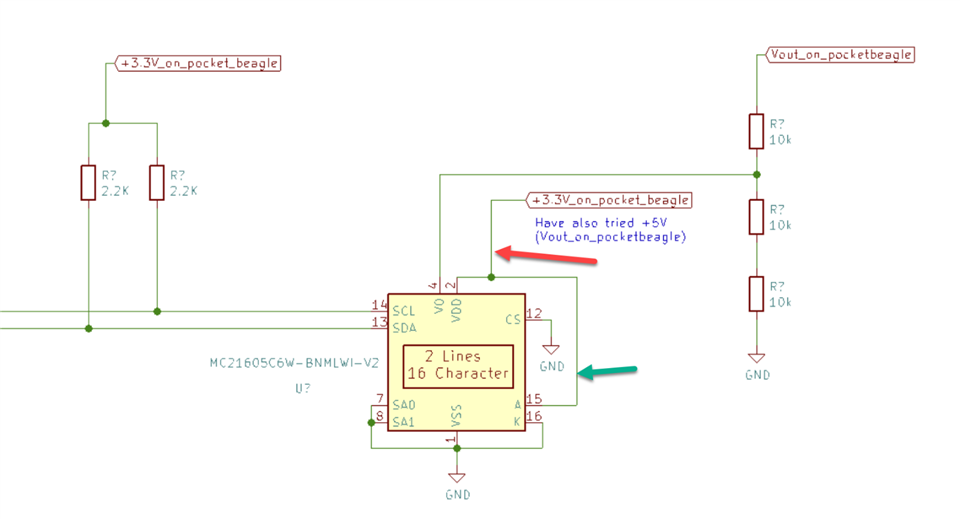
1) connected it exactly as per the datasheet, powering the VDD with +5V and connecting SDA and SCL through a 5v to 3v logic converter. VO is through a 10k-20k voltage divider.
2) connected it exactly as per the datasheet, powering the VDD with +5V and connecting SDA and SCL without the logic converter. VO is through a 10k-20k voltage divider.
3) connected it exactly as per the datasheet, powering the VDD with +3.3V and connecting SDA and SCL without logic converter. VO is through a 10k-20k voltage divider.
also Repeated 1) to 3) with VO = across 10K on voltage divider, VO = across 20K on voltage divider, VO = +3.3V and VO = +5V.
What am I missing ? I can't pickup anything on "i2cdetect - y -r 1", I have tried a +5V RTC module through logic converter on the same I2C and it works fine.
The LCD data sheet mentions pins IF0 and IF1 to set the LCD in i2c mode but there is no such pin in pin diagram ? I have contacted Midas but no reply !
has anyone ever used these LCDs ? any help will be appreciated.
Thanks,
Chris



