| Buy NowBuy Now | Development Tools | Technical Documents | Video | Features | Kit Contents | 
![]()  | Kit Overview 
 The Stellaris 
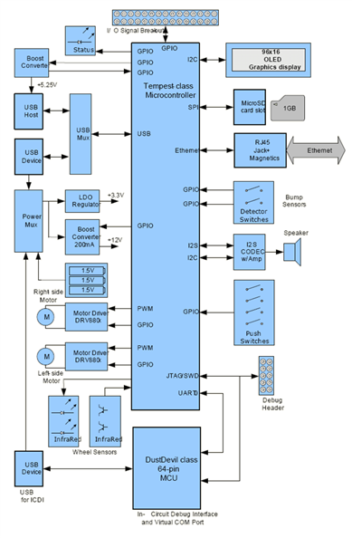
 When roaming, three AA batteries supply power to the EVALBOT. The EVALBOT automatically selects USB power when tethered to a PC as a USB device or when debugging. Test points are provided to all key EVALBOT signals. Two 20-pin headers enable future wireless communications using standardized Texas Instruments' low-power embedded radio modules (EM boards). Additional microcontroller signals are available on break-out pads arranged in rows adjacent to the microcontroller. 
 The EVALBOT has factory-installed quickstart software resident in on-chip Flash memory. For software debugging and Flash programming, an integrated In-Circuit Debug Interface (ICDI) requires only a single USB cable for debug and serial port functions. 
 The EVALBOT is available with a Stellaris-specific version of μC/OS-III: The Real-Time Kernel by Jean J. Labrosse. This book reveals how a real-time kernel works using Micrium's μC/OS-III and the Stellaris EVALBOT as references. In addition, the board is also available separately for those who already have the book. 
 Key Applications: Remote connectivity and monitoring, Test and measurement equipment, Network appliances and switches, Factory automation, Home and commercial site monitoring and control, Gaming equipment, Motion control, etc.  | |||||||||||
  | ||||||||||||
Development Tools
Software Development Tools:
| Tool Type | Supplier | MPN | Supported Family | Description | 
|---|---|---|---|---|
  | Embest | CoIDE | ARM Cortex | CooCox offer freely available powerful software development tool for ARM Cortex-M3 & Cortex-M0 based microcontrollers. Coocox Tools organizes and provides the knowledge required by developers. Learn More | 
| RTOS | Embest | CoOS | ARM Cortex | CoOS is a free and open RTOS from CooCox, designed specifically for Cortex-M processor, supports preemptive priority and round-robin, Semaphore, Mutex, Flag, Mailbox and Queue for communication & synchronization, highly scalable, minimum system kernel is only 974Bytes, supports interrupt while task switching, supports stack overflow detection, supports the platforms of ICCARM, ARMCC, GCC. Learn More | 
| IDE | Texas Instruments | Code Composer Studio (CCStudio) | TI ARM MCUs | CCStudio is an integrated development environment (IDE) for TI embedded processor families. CCStudio comprises a suite of tools used to develop and debug embedded applications. It includes compilers for each of TI's device families, source code editor, project build environment, debugger, profiler, simulators, real-time operating system and many other features. Learn More | 
| IDE | ARM | Keil MDK-ARM | ARM Cortex | The MDK-ARM is a complete software development environment for Cortex | 
| RTOS | Micrium | µC/OS-III | TI ARM MCUs | μC/OS-III is Micrium’s newest RTOS, designed for developers who need to save time on their current and next embedded sytem projects. Using a commercial real-time kernel such as μC/OS-III provides a solid foundation and framework to the design engineer dealing with the growing complexity of embedded designs. Learn More | 
| RTOS | Segger | TI ARM MCUs | SEGGER embOS (Real Time Operating System) follows strict, yet efficient coding and documentation standards. embOS is a priority-controlled real time operating system, designed to be used as foundation for the development of embedded real-time applications. Learn More  | 
Hardware Development Tools:
| Tool Type | Supplier | MPN | Supported Family | Description | 
|---|---|---|---|---|
Debugger  | Embest | ColinkExColinkEx | ARM Cortex | ARM Cortex-M MCU JTAG Hardware Debugging Probe which supports in CooCox software and Keil Realview MDK | 
| Emulator / Debugger / Programmer | ARM | ULINK2ULINK2 | ARM Cortex | ULINK2 Debug Adapter | 
| Emulator / Debugger / Programmer | ARM | ULINKProULINKPro | ARM Cortex | ULINKpro Debug and Trace Unit | 
| Emulator | Segger | J-LinkJ-Link | ARM Cortex | JTAG/SWD Emulator with USB interface | 
| Programmer | Segger | Flasher ARMFlasher ARM | ARM Cortex | Flash Programmer for ARM and Cortex cores | 
Technical Documents
Learning Center
Design Elements
| Type | Description | 
|---|---|
| Schematics | Texas Instruments: Stellaris Robotic Evaluation Board Schematics (Rev. A)  | 
Video
Kit Features
The evaluation kit provides a hands-on mini robotic platform for learning and using the μC/OS-III real-time kernel. The evaluation kit includes the following features:
- Evaluation board with robotic capabilities
 - Mechanical components assembled by user
 - Stellaris
LM3S9B92LM3S9B92 microcontroller
 - MicroSD card connector
 - I2S audio codec with speaker
 - USB Host and Device connectors
 - RJ45 Ethernet connector
 - Bright 96 x 16 blue OLED display
 - On-board In-Circuit Debug Interface (ICDI)
 - Battery power (3 AA batteries) or power through USB
 - Wireless communication expansion port
 - Robot features:
- Two DC gear-motors provide drive and steering
 - Opto-sensors detect wheel rotation with 45° resolution
 - Sensors for "bump" detection
 
 
Kit Contents
- Book: The Real-Time Kernel by Jean J. Labrosse
 - EVALBOT Evaluation Board
 - Three AA batteries
 - USB cable
 
			    




