| Buy NowBuy Now | Development Tools | Technical Documents | Video | Features | Kit Contents |
![]() | Kit Overview
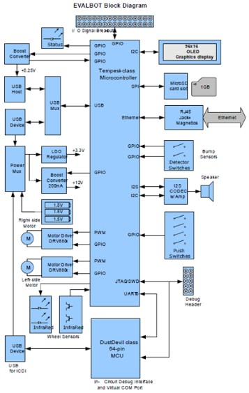
The Stellaris When roaming, three AA batteries supply power to the EVALBOT. The EVALBOT automatically selects USB power when tethered to a PC as a USB device or when debugging. Test points are provided to all key EVALBOT signals. Two 20-pin headers enable future wireless communications using standardized Texas Instruments’ low-power embedded radio modules (EM boards). Additional microcontroller signals are available on break-out pads arranged in rows adjacent to the microcontroller. The EVALBOT has factory-installed quickstart software resident in on-chip Flash memory. For software debugging and Flash programming, an integrated In-Circuit Debug Interface (ICDI) requires only a single USB cable for debug and serial port functions. The EVALBOT is available in a bundle (EKB-UCOS3-BNDLEKB-UCOS3-BNDL) with a Stellaris-specific version of uC/OS-IIIuC/OS-III: The Real-Time Kernel by Jean J. Labrosse. This book reveals how a real-time kernel works using Micrium’s μC/OS-III and the Stellaris EVALBOT as references. In addition, the board is also available separately (EKB-UCOS3-EVMEKB-UCOS3-EVM) for those who already have the book. The example projects include:
LM3S9B92 Microcontroller The Stellaris LM3S9B92 is an ARM
Key Applications: Motion control, Factory automation, Fire and security, HVAC and building control, Power and energy, Transportation, Test and measurement equipment, Medical instrumentation, Remote monitoring, Electronic point-of-sale (POS) machines, Network appliances and switches, Gaming equipment. | |||||||||||
| ||||||||||||
Development Tools
Software Development Tools:
| Tool Type | Supplier | MPN | Supported Family | Description |
|---|---|---|---|---|
| Embest | CoIDE | ARM Cortex | CooCox offer freely available powerful software development tool for ARM Cortex-M3 & Cortex-M0 based microcontrollers. Coocox Tools organizes and provides the knowledge required by developers. Learn More |
| RTOS | Embest | CoOS | ARM Cortex | CoOS is a free and open RTOS from CooCox, designed specifically for Cortex-M processor, supports preemptive priority and round-robin, Semaphore, Mutex, Flag, Mailbox and Queue for communication & synchronization, highly scalable, minimum system kernel is only 974Bytes, supports interrupt while task switching, supports stack overflow detection, supports the platforms of ICCARM, ARMCC, GCC. Learn More |
| IDE | Texas Instruments | Code Composer Studio (CCStudio) | TI ARM MCUs | CCStudio is an integrated development environment (IDE) for TI embedded processor families. CCStudio comprises a suite of tools used to develop and debug embedded applications. It includes compilers for each of TI's device families, source code editor, project build environment, debugger, profiler, simulators, real-time operating system and many other features. Learn More |
| IDE | ARM | Keil MDK-ARM | ARM Cortex | The MDK-ARM is a complete software development environment for Cortex |
| RTOS | Micrium | µC/OS-III | TI ARM MCUs | μC/OS-III is Micrium’s newest RTOS, designed for developers who need to save time on their current and next embedded sytem projects. Using a commercial real-time kernel such as μC/OS-III provides a solid foundation and framework to the design engineer dealing with the growing complexity of embedded designs. Learn More |
| RTOS | Segger | TI ARM MCUs | SEGGER embOS (Real Time Operating System) follows strict, yet efficient coding and documentation standards. embOS is a priority-controlled real time operating system, designed to be used as foundation for the development of embedded real-time applications. Learn More |
Hardware Development Tools:
| Tool Type | Supplier | MPN | Supported Family | Description |
|---|---|---|---|---|
Debugger | Embest | ColinkExColinkEx | ARM Cortex | ARM Cortex-M MCU JTAG Hardware Debugging Probe which supports in CooCox software and Keil Realview MDK |
| Emulator / Debugger / Programmer | ARM | ULINK2ULINK2 | ARM Cortex | ULINK2 Debug Adapter |
| Emulator / Debugger / Programmer | ARM | ULINKProULINKPro | ARM Cortex | ULINKpro Debug and Trace Unit |
| Emulator | Segger | J-LinkJ-Link | ARM Cortex | JTAG/SWD Emulator with USB interface |
| Programmer | Segger | Flasher ARMFlasher ARM | ARM Cortex | Flash Programmer for ARM and Cortex cores |
Technical Documents
Learning Center
| Type | Description |
|---|---|
| Readme | Stellaris Robotic Evaluation Board README First |
| User Manual | Evalbot User Manual |
| User Manual | Cortex-M3 Instruction Set Technical User's Manual |
| User Manual | Stellaris Bootloader User Guide |
| Book | Book - uC/OS-III for TI Stellaris |
| Datasheet | Datasheet Stellaris LM3S9B92 Microcontroller |
| Application Note | Application Note Stellaris ADC Calibration |
| Application Note | Using Schematic Part and PCB Footprint Libraries for Stellaris (AN01256) |
Design Elements
| Type | Description |
|---|---|
| Schematics | Evalbot board Schematics |
| Software | Micrium uC/OS-III Project for Luminary Micro LM3S9B92 |
| Software | uC/OS-III Source Code |
| BSDL | Stellaris LM3S9B92 100LQFP BSDL Model |
| BSDL | Stellaris LM3S9B92 108BGA BSDL Model |
| IBIS | Stellaris LM3S9B92 100LQFP IBIS Model |
Video
Kit Features
This evaluation kit provides a hands-on mini robotic platform for learning and using the μC/OS-III real-time kernel. The evaluation kit includes the following features:
- Evaluation board with robotic capabilities
- Mechanical components assembled by user
- Stellaris
LM3S9B92 microcontroller
- MicroSD card connector
- I2S audio codec with speaker
- USB Host and Device connectors
- RJ45 Ethernet connector
- Bright 96 x 16 blue OLED display
- On-board In-Circuit Debug Interface (ICDI)
- Battery power (3 AA batteries) or power through USB
- Wireless communication expansion port
- Robot features
- Two DC gear-motors provide drive and steering
- Opto-sensors detect wheel rotation with 45° resolution
- Sensors for "bump" detection
Kit Contents
The Texas Instruments EKB-UCOS3-EVMEKB-UCOS3-EVM is supplied with the below contents:
- Stellaris
Robotic Evaluation Board for use with Micrium’s μC/OS-III (board only)





