element14 Community
element14 Community
    Register Log In
  • Site
  • Search
  • Log In Register
  • Community Hub
    Community Hub
    • What's New on element14
    • Feedback and Support
    • Benefits of Membership
    • Personal Blogs
    • Members Area
    • Achievement Levels
  • Learn
    Learn
    • Ask an Expert
    • eBooks
    • element14 presents
    • Learning Center
    • Tech Spotlight
    • STEM Academy
    • Webinars, Training and Events
    • Learning Groups
  • Technologies
    Technologies
    • 3D Printing
    • FPGA
    • Industrial Automation
    • Internet of Things
    • Power & Energy
    • Sensors
    • Technology Groups
  • Challenges & Projects
    Challenges & Projects
    • Design Challenges
    • element14 presents Projects
    • Project14
    • Arduino Projects
    • Raspberry Pi Projects
    • Project Groups
  • Products
    Products
    • Arduino
    • Avnet & Tria Boards Community
    • Dev Tools
    • Manufacturers
    • Multicomp Pro
    • Product Groups
    • Raspberry Pi
    • RoadTests & Reviews
  • About Us
    About the element14 Community
  • Store
    Store
    • Visit Your Store
    • Choose another store...
      • Europe
      •  Austria (German)
      •  Belgium (Dutch, French)
      •  Bulgaria (Bulgarian)
      •  Czech Republic (Czech)
      •  Denmark (Danish)
      •  Estonia (Estonian)
      •  Finland (Finnish)
      •  France (French)
      •  Germany (German)
      •  Hungary (Hungarian)
      •  Ireland
      •  Israel
      •  Italy (Italian)
      •  Latvia (Latvian)
      •  
      •  Lithuania (Lithuanian)
      •  Netherlands (Dutch)
      •  Norway (Norwegian)
      •  Poland (Polish)
      •  Portugal (Portuguese)
      •  Romania (Romanian)
      •  Russia (Russian)
      •  Slovakia (Slovak)
      •  Slovenia (Slovenian)
      •  Spain (Spanish)
      •  Sweden (Swedish)
      •  Switzerland(German, French)
      •  Turkey (Turkish)
      •  United Kingdom
      • Asia Pacific
      •  Australia
      •  China
      •  Hong Kong
      •  India
      •  Japan
      •  Korea (Korean)
      •  Malaysia
      •  New Zealand
      •  Philippines
      •  Singapore
      •  Taiwan
      •  Thailand (Thai)
      •  Vietnam
      • Americas
      •  Brazil (Portuguese)
      •  Canada
      •  Mexico (Spanish)
      •  United States
      Can't find the country/region you're looking for? Visit our export site or find a local distributor.
  • Translate
  • Profile
  • Settings
Autodesk EAGLE
  • Products
  • More
Autodesk EAGLE
EAGLE User Support (English) AC mains on a PCB ?
  • Blog
  • Forum
  • Documents
  • Events
  • Polls
  • Files
  • Members
  • Mentions
  • Sub-Groups
  • Tags
  • More
  • Cancel
  • New
Join Autodesk EAGLE to participate - click to join for free!
Actions
  • Share
  • More
  • Cancel
Forum Thread Details
  • State Verified Answer
  • Replies 107 replies
  • Answers 10 answers
  • Subscribers 186 subscribers
  • Views 18193 views
  • Users 0 members are here
Related

AC mains on a PCB ?

anishkgt
anishkgt over 9 years ago

A total newbie to eagle design and PCB fab. So plase bear with on my silly questions, trying to learn.

 

I have pcb that is schematically completed with the layout. Before i start the fabrication process i need some expert advise if the components placed and the wires routed are ok for the ac mains and the others. The load here will be a transformer. The ac mains are 240VAC and all works well as designed in the schematic on a bread broad except for the load for which MOC3023 is yet to arrive from where i've ordered.

 

 

 

Thanks in advance.

 

image

 

image

  • Sign in to reply
  • Cancel

Top Replies

  • rachaelp
    rachaelp over 9 years ago in reply to anishkgt +2
    Hi George, It looks like you're really learning a lot with this design and you've had lots of good advice from people on this thread already and the difference between the initial version you posted and…
  • michaelkellett
    michaelkellett over 9 years ago in reply to rachaelp +1 suggested
    For mains input spike suppression I think you are much better off with this kind of device: http://uk.farnell.com/epcos/b72214s0231k101/varistor-60-0j-230vac/dp/1004389 Farnell 1004389 This one is rated…
  • autodeskguest
    autodeskguest over 9 years ago in reply to anishkgt +1 suggested
    On 11/09/16 12:02, George Thomas wrote: Why two thrustirs to control the load and am trouble witching on yhe Triac. Triacs can suffer commutation problems with certain types of load - highly inductive…
  • autodeskguest
    0 autodeskguest over 9 years ago in reply to rachaelp

    Am 07.09.2016 um 23:21 schrieb rachaelp:

    Start from the version in this post: https://www.element14.com/community/message/205178/l/re-ac-mains-on-a-pcb#205178 (/message/205178/l/re-ac-mains-on-a-pcb#205178)

     

    --

    To view any images and attachments in this post, visit:

    https://www.element14.com/community/message/205346

     

     

    Here is my answer to my earlier suggestions.

    I can not load up things to element14 because I'm not registered (and

    don't want to).

    So here is the board only because of the  upload limits at cadsoft.

    Maybe someone Rachael? can check it against the schematics and load the

    whole thing up to E14.

    BTW the polygon on board has "no name" and is a suggestion only like

    everything else image

     

    The whole thread could have been finished long ago if you had send the

    files earlier.

    Remember "A picture tells more than 1000 words"..... or so image

     

    --

    Mit freundlichen Grüßen / With best regards

     

    Joern Paschedag

     

    Attachments:
    Spot Welder JP.zip
    • Cancel
    • Vote Up 0 Vote Down
    • Sign in to reply
    • Verify Answer
    • Cancel
  • michaelkellett
    0 michaelkellett over 9 years ago in reply to anishkgt

    George, are you using the autorouter - if so turn it off and route the tracks sensibly by hand/brain - then when you get to something like the snail trail round D1 you'll notice that rotating D1 by 180 degrees will improve the routability  and allow you not to run a track past the inner edge of a pad on IC5.

     

    Unless you can afford >£10k for an autorouter they just are not worth using.

     

    MK

    • Cancel
    • Vote Up 0 Vote Down
    • Sign in to reply
    • Verify Answer
    • Cancel
  • rachaelp
    0 rachaelp over 9 years ago in reply to michaelkellett

    Michael Kellett wrote:

     

    George, are you using the autorouter - if so turn it off and route the tracks sensibly by hand/brain - then when you get to something like the snail trail round D1 you'll notice that rotating D1 by 180 degrees will improve the routability and allow you not to run a track past the inner edge of a pad on IC5.

     

    Unless you can afford >£10k for an autorouter they just are not worth using.

     

    MK

    I agree with your sentiments that this would be better hand routed than relying on the auto router. As an assistance tool the autorouter can help with some mundane tasks sometimes with careful setup and knowing what you are doing but in general I don't personally like using it.

     

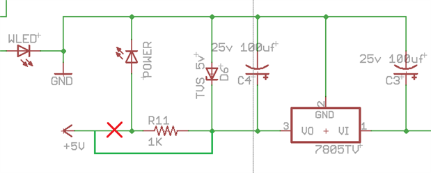
    That said, I have looked at the files uploaded and whilst the input AC routing issue is relatively trivial to fix, the main reason the auto router is generally making such a HUGE mess is that the placement is not ready for routing yet, there is a lot of additional placement work to do before I would even consider putting any routing in. I also found some circuit peculiarities, e.g. why was the whole 5V rail supplied through a 1K resistor? I presume this was a mistake and that 1K was there for the power LED? Where are the bypass decoupling caps etc? Also, the pinout of the MEGA8 just leads to a total mess.

     

    I've spent a short while correcting errors and re-pinning parts of that and the autorouter will now route out all the LED's "nicely" (not really, it's still not tidy) without going round the houses. Also, looking at where all the +5V connections are.... well this is a net which we needs to get lots of places and these are scattered around the board.

     

    Finally, another reason for the very messy autorouter was the placements were not properly on grid which when you are using an autorouter that will lead to things being yukkier.

     

    Best Regards,

     

    Rachael

    • Cancel
    • Vote Up 0 Vote Down
    • Sign in to reply
    • Verify Answer
    • Cancel
  • omega-5
    0 omega-5 over 9 years ago

    Hi George,

    I suppose there's an error in this circuit.

     

    image

    Freundliche Grüße / Kind regards

    Friedrich

    -----------------------------------------------

    ... benutzen Sie nntp://news.cadsoft.de und einen

    funktionierenden News-Reader wie Thunderbird!

    ... use NNTP://news.cadsoft.de and a

    functional news reader like Thunderbird!

    • Cancel
    • Vote Up 0 Vote Down
    • Sign in to reply
    • Verify Answer
    • Cancel
  • omega-5
    0 omega-5 over 9 years ago in reply to omega-5

    Am 08.09.2016 um 10:52 schrieb omega-5:

    Hi George,

    I suppose there's an error in this circuit.

     

    I'm sorry, there is missing again the image.

     

    Freundliche Grüße / Kind regards

    Friedrich

    -


    ... benutzen Sie nntp://news.cadsoft.de und einen

    funktionierenden News-Reader wie Thunderbird!

    ... use NNTP://news.cadsoft.de and a

    functional news reader like Thunderbird!

     

    Attachments:
    image
    • Cancel
    • Vote Up 0 Vote Down
    • Sign in to reply
    • Verify Answer
    • Cancel
  • rachaelp
    0 rachaelp over 9 years ago in reply to omega-5

    Friedrich Bleikamp wrote:

     

    I suppose there's an error in this circuit.

    Yep that was the error I referred to in my post above. It wouldn't have worked too well!

     

    Best Regards,

     

    Rachael

    • Cancel
    • Vote Up 0 Vote Down
    • Sign in to reply
    • Verify Answer
    • Cancel
  • rachaelp
    0 rachaelp over 9 years ago in reply to anishkgt

    Hi George,

     

    See my earlier post with some initial findings. I've been playing with your layout including re-pinning your microcontroller as it looked like that should be fine and you can just change the pin setup in the software as the functionality all seems fairly simple. Here is an image of how the layout works after I have altered everything. I could just upload the design files back but then I think maybe you should be trying this some more yourself as a learning exercise so you can work out what you need to do to achieve this for yourself image

     

    So this isn't perfect as I was just having a quick play around with it, if I were doing this for a real project of my own then there is probably quite a lot more I would change still, but within the confines of your existing circuit with some minor tweaks this is my first stab at a layout. You can see I have got the +5V and GND connected with polygons and all the other nets are routed much more cleanly as I tidied everything up in the placement first. There is much better isolation and clearances to the mains conductors are improved. I see your connectors are a little wider pitch than I had initially thought but personally I would probably swap those out for ones with a wider pitch still and I would add surge protection and EMI filtering.

     

    image

     

    Best Regards,

     

    Rachael

     

    UPDATE: Moved triac slightly to reduce high current trace lengths.

    • Cancel
    • Vote Up 0 Vote Down
    • Sign in to reply
    • Reject Answer
    • Cancel
  • anishkgt
    0 anishkgt over 9 years ago in reply to rachaelp

    Hey rachaelp

     

    Can't thank you enough for what you have done on the layout and yes i will definitely gonna try and learn to place things better and as suggested by all here i'l go with manual trace than auto routing. I did try doing it but got a little stuck here and there.

     

    So about the layout the AC and load connectors, aren't they not placed well, i mean when putting an actual connector would not fit a physical wire. The load connector would obstruct the AC connector when wiring. have you changed the pins i could read you have but did not notice in the schematic?

    • Cancel
    • Vote Up 0 Vote Down
    • Sign in to reply
    • Verify Answer
    • Cancel
  • anishkgt
    0 anishkgt over 9 years ago in reply to rachaelp

    was preparing a list components to buy and could not find 100nf ceramic cap here. So are anything more that i should consider buying for the optocoupler to drive the TRIAC.

    • Cancel
    • Vote Up 0 Vote Down
    • Sign in to reply
    • Verify Answer
    • Cancel
  • rachaelp
    0 rachaelp over 9 years ago in reply to anishkgt

    George Thomas wrote:

     

    Hey rachaelp

     

    Can't thank you enough for what you have done on the layout.

    You're welcome image

     

    George Thomas wrote:

     

     

    So about the layout the AC and load connectors, aren't they not placed well, i mean when putting an actual connector would not fit a physical wire. The load connector would obstruct the AC connector when wiring.

    I don't actually know what connectors these are specifically so haven't looked at the specs but I assumed that the mating half would fit within the bounding placement box of the connector on the board and that the wires would be coming out vertically. If this is not the case then a little more space is needed so you can get the mating connectors / wires in, but this should be achievable without too much additional change.

     

    Best Regards,


    Rachael

    • Cancel
    • Vote Up 0 Vote Down
    • Sign in to reply
    • Verify Answer
    • Cancel
<>
element14 Community

element14 is the first online community specifically for engineers. Connect with your peers and get expert answers to your questions.

  • Members
  • Learn
  • Technologies
  • Challenges & Projects
  • Products
  • Store
  • About Us
  • Feedback & Support
  • FAQs
  • Terms of Use
  • Privacy Policy
  • Legal and Copyright Notices
  • Sitemap
  • Cookies

An Avnet Company © 2026 Premier Farnell Limited. All Rights Reserved.

Premier Farnell Ltd, registered in England and Wales (no 00876412), registered office: Farnell House, Forge Lane, Leeds LS12 2NE.

ICP 备案号 10220084.

Follow element14

  • X
  • Facebook
  • linkedin
  • YouTube