|
A real world example that uses the electronic load to automatically measure the efficiency of a switch mode power device: The LabVIEW controls a power supply and the DC load. It will test the efficiency for more than 800 combinations of input voltage and output current. The results are logged to a spreadsheet and can be used to graph the behaviour of the device under test. |
The Setup
The device under test is a DC to DC switcher that I got from element14 for a Road Test: TI SWIFT Power Module EVM.
It expects an input between 8 and 14 V. A Rigol DP832A is used to deliver input supply in that range. (Another channel of the PSU also delivers the 12 V for the programmable load and its fan).
The output can deliver up to 10 A. The Programmable Electronic Load is used to draw the current.
LabVIEW runs the test cycle. It'll cycle both input and output through their range.
The LabVIEW Process
LabVIEW controls the PSU on the input and the DC load at the output. It also reads the measurements that both devices support.
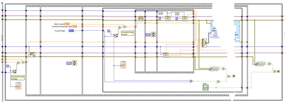
There are two loops, an inner and an outer.
The outer loop cycles the PSU fro 8 to 14 V, in steps of 500 mV.
For each of these cycles, it asks the load to pull a current between 0 and 7.5 A from the device under test - in increments of 100 mA.
At each step, LabVIEW logs the source voltage and current, and the output voltage and current. Those are used to calculate the efficiency of the device under test.
This type of tests are often used by people that have to specify the behaviour of devices and circuits.
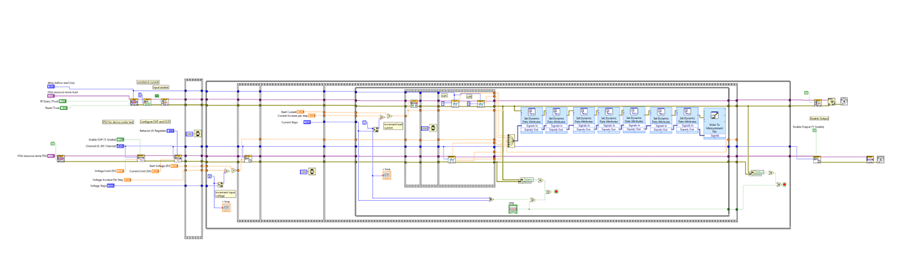
The front panel of the LabVIEW process allows you to select the correct devices and define the granularity of the test.
The upper part is used to set the parameters of the load, the lower half defines the behaviour of the power supply.
The flow runs forever. Once a whole cycle o outer loops is done, it resets the input to th starting voltage and starts all over.
A click on the stop button ends the measurements. The spreadsheet is closed and you can analyse the results.
Initialise the Instruments
The power supply and DC load are initialised so that they are ready to run the test cycles. In all the flows below, the upper part controls the DC load, the lower part the PSU.
The load is set to constant current and the input is enabled.
The PSU's channel 0 is the one we're controlling. The settings from the front panel are programmed into the Rigol.
The Loops
The outer loop controls the PSU. It will loop from the lowest setting (8 V in our example) for a given number of steps (12), with a given increment (0.5 V).
Then, inside that loop, the inner loop will drive the output from 0V, in a given number of steps (78) with a given increment (0.1 A).
A push of the stop button breaks out of both loops.
Logging Data
Data is logged at the lowest level, at the end of the inner loop.
All data is combined into a "Merge Signals" block and sent to a "Write to Measurements" file.
We're using "Set Dynamic Attributes" blocks to name the columns in the spreadsheet.
This is a sample of the output file. The whole file is attached to the blog.
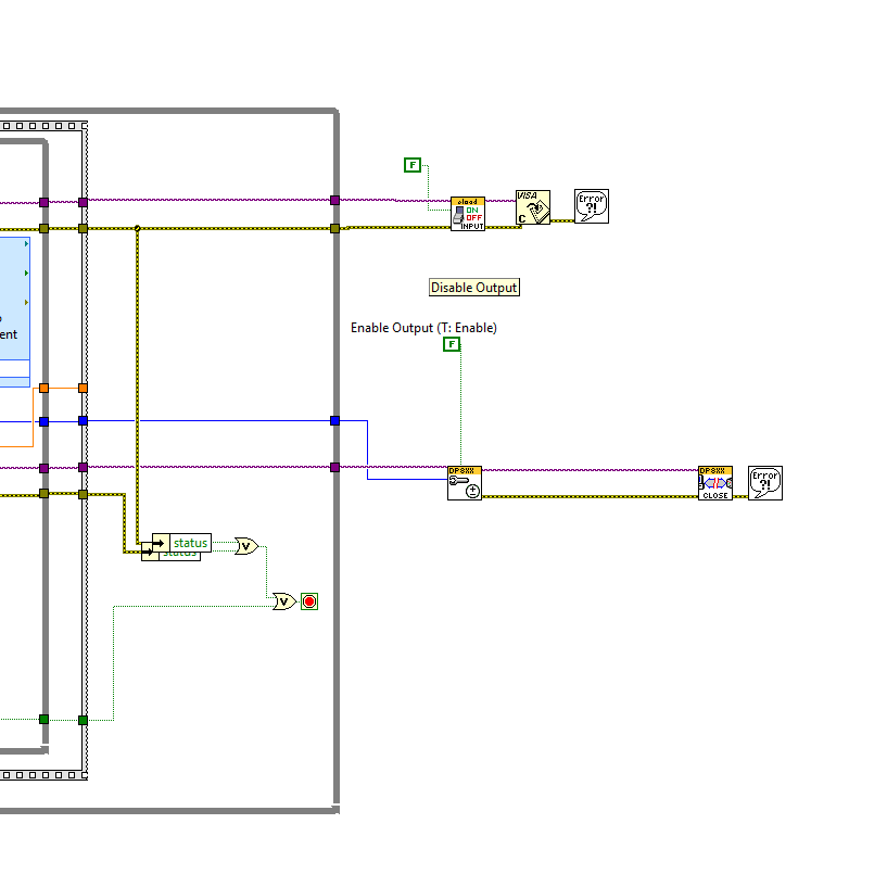
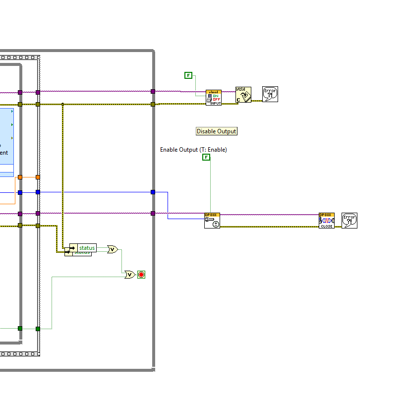
Closing Resources
When the tester pushes the stop button, or when an error occurs, the flow exits the loops and goes to the closure part.
In that section, all VISA devices (load and PSU) are properly closed down and released.
The load is deactivated and will not try to pull current out of the device under test. The PSU channel is switched off.
Your setup is ready for a new test - or you can plug in the next device under test and have it analysed.
The Result
I've attached a spreadsheet with a full run to this blog post. Here's a graph made from the gathered data:
While the DC load still needs development to deliver reliable and precise results, you can se that the API allows it ti be used in an automated test cycle.
The measurements here are done in a few minutes (I leave 2 seconds between setting a data point and collecting the info in the inner loop, and 2 seconds at the start of each outer loop to give the PSU time to settle).
If you do this by hand it would take loads more of your time, and you'd have to collect the measurements at each step.









Top Comments