Related Blogs: Power Management
Essentials | Tech Spotlight | Blogs | Polls | Power Management | Renesas | << Previous | Next >>

Energy storage technologies, along with the extensive use of high-density devices such as lithium-ion batteries and supercapacitors, are key elements for the proliferation of battery-operated portable devices. These are installed in renewable energy systems like solar power and wind power to store energy and, subsequently, supply stable power either to the grid or to residential and commercial end-users. Portable devices like cell phones, robots, drones, and even electric vehicles rely solely on storage power to function and finish their tasks. Information technology is the other force that underlines the significance of back-up power for the burgeoning data economy.
An energy-storage device stores energy by charging through an electrical power source, and dispenses it to the loads by discharging itself. This process must be precisely managed to ensure safe, reliable, and long-term storage. Most applications use two distinct power trains for charging and discharging, but a few applications, however, require a fast charge-to-discharge or fast discharge-to-charge transition. Such a rapid transition is accomplished by a single power train on-the-fly bidirectional DC-DC converter, known as a Bidirectional Buck-Boost Controller. This technical product blog concerns the Bidirectional Buck-Boost Controller, its benefits, and some example applications.
A bidirectional DC-DC converter is a device to step-up or step-down the voltage level. It allows power to flow in both forward and backward directions. The converter also regulates DC bus voltage power flow in both directions. These are grouped into two types based on the galvanic isolation between input and output: Non-Isolated Bidirectional DC-DC Converters and Isolated Bidirectional DC-DC Converters. The bidirectional operation is executed in the converter with a synchronous rectifier (SR) for isolated and non-isolated topologies.
Figure 1: Bidirectional DC/DC converter topologies
Typical non-isolated bidirectional converters include buck, boost, and four-switch buck-boost. A buck converter may run as a boost converter in the reverse direction. Conversely, a boost converter may run as a buck converter in the reverse direction. A four-switch buck-boost converter runs in either two-switch buck mode or two-switch boost mode, and it also effortlessly functions in the reverse direction compared to a standard single buck or boost converter.
Figure 1 illustrates a basic bidirectional DC-DC converter circuit. It is an anti-parallel combo of buck-boost converters. During step-up operation, Q1 conducts by the control signal's duty cycle, while Q2 is in non-conducting mode. In step-down mode, Q2 conducts as per the duty cycle, and Q1 ceases. A short dead time is allotted between both operations to avoid cross conduction. Figures 1A and 1B reveal a non-isolated half-bridge bidirectional DC topology. This topology is a simple one, with better efficiency. Figure 1C topology is produced by cascading the buck converter with a boost converter. Since all four quadrants are possible with this topology, such a topology functions as buck mode and boost mode in both directions. Four-quadrant operation makes this the most flexible option with a few limitations, such as a greater number of switches producing increased switching losses, complex control algorithms, and additional turn-on losses due to reverse recovery of diodes.
Bi-directional controllers allow excellent performance and clarity for automotive dual battery-centric systems. System size and complexity are greatly reduced by using identical circuit modules for buck and boost modes. Roughly 97 percent efficiency can be realized, and it is possible to control the maximum current conveyed in both directions.
Renesas has integrated bidirectional control into its latest controller, enabling easy implementation of on-the-fly reverse-direction power flow and control. They offer a wide range of bidirectional controllers, and the ISL81801 is a notable example from the company portfolio. We will now discuss this 80V Bidirectional 4-Switch Synchronous Buck-Boost Controller
Figure 2: ISL81801 - 80V Bidirectional 4-Switch Synchronous Buck-Boost Controller Buy Now
The ISL81801 is a bidirectional 4-switch synchronous buck-boost controller with peak and average current sensing and monitoring at both ends. It has four independent control loops for input and output voltages and currents. Inherent peak current sensing at both ends and cycle-by-cycle current limit guarantee high operational reliability, by providing instant current limit in fast transient conditions at either end and in both directions. It also has two current monitoring pins at both input and output to facilitate Constant Current (CC) limit and other system management functions. CC operates down to low voltages to avoid any runaway condition at overload or short-circuit conditions.
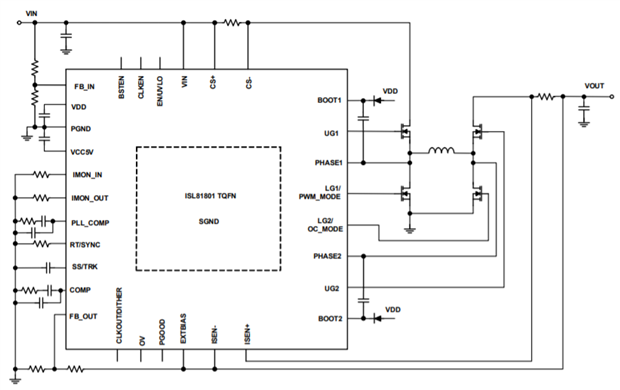
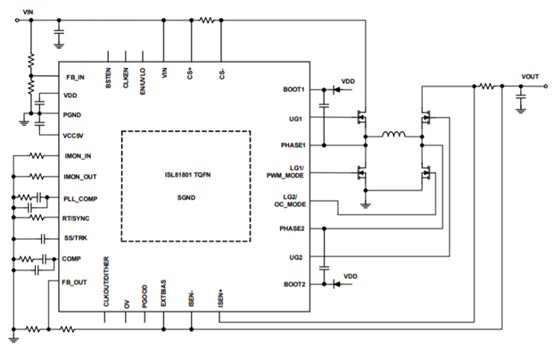
In addition to multilayer overcurrent protection, it also offers full protection features such as OVP, UVP, OTP, average and peak current limit on both input and output to ensure high reliability in both unidirectional and bidirectional operations. The unique DE/Burst mode at light-load dramatically lowers standby power consumption with consistent output ripple over different load levels. It uses a proprietary buck-boost control algorithm with valley current modulation for Boost mode and peaks current modulation for Buck mode control. The controller, with a wide input range from 4.5V to 80V and output voltage, ranges from 0.8V to 80V, is suitable for industrial, telecommunication, and other industrial applications. It comes in a space-conscious 32 LD 5mm × 5mm TQFN package, or an easy-to-assemble 4.4mm × 9.7mm 38 LD HTSSOP package. Both packages use an EPAD to improve thermal performance and noise immunity. Low pin count, fewer external components, and default internal values make it an ideal solution to market simple power supply designs. Figure 3 shows a typical ISL81801 application circuit.
Figure 3: ISL81801 Typical Application Circuit
Applications
As an application, bidirectional DC-DC controllers are used to charge high power (1000W) outdoor power banks through a car charger or a solar cell (photovoltaic) with MPPT (Maximum Power Point Track) functionality. Solar cells, however, present challenges due to wild swings of output voltage- an effect of solar panel temperature, load, and the amount of solar energy directed towards it. The solution takes the form of an ISL81801 buck-boost controller integrated application circuit, as depicted in Figure 4. It can charge a swathe of battery voltages, even if the solar panel delivers an output voltage much lower than its nominal output. With the addition of RL78/G14 MCU, it monitors battery status and inhibits battery overcharge. The MPPT firmware inclusion enables the RL78/G14 to control the ISL81801 and maximize solar panel efficiency. An optional DC/DC (ISL8117), contingent on solar array voltage, can be fitted to improve efficiency in higher voltage applications.
Figure 4: Bidirectional buck-boost converter application with PV Panel
Power management plays a major role in virtually every piece of electronic equipment. If you'd like to know more about how to approach power management in your designs or products, click here for more information.
More Power Management Blogs
- The OptiMOS
Power MOSFET Source-Down Family
- Augmented Switching Accelerated Development Kit
- Silicon Carbide MOSFETs
- Selecting a Synchronous Buck Converter for a (POL) Application
- Benefits of Isolated DC-DC Converters for Gate Drive Power
- How System Power Protection ICs Prevent Field Failures and Unexpected Downtime
- The Benefits of a Compact Power Management IC and Power Loss Protection
- How to integrate multiple PMICs to build customized power management and safety solutions for complex SoCs
- Wide-Input Buck-Boost DC/DC Converters




