I'm Road Testing the Rohm SensorShield-EVK-003 (Arduino Compatible) and the sensors that come with it. In this post, the HALL Sensor BD7411GBD7411G. |
The Sensor Shield ecosystemSensor Shield ecosystem is ROHM's test bed for their sensors. It's an Arduino form shield with a number of slots.
The small evaluation boards for their sensors plug into that board.
For each of the sensors, there's an example sketch available.
In this blog, I'm checking the HALL sensor that comes with the kit.
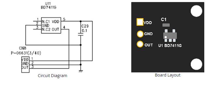
Evaluation Board
The board just has the sensor and a bypass capacitor.
Very straightforward.
Sensor Performance
For this part of the review, I tested the sensor without the shield. VDD is 5.0077 V
Without magnet in the neighbourhood: 5.0059 V
With magnet in reach: 0.0003 V

