![]() | Electronics & Design Projects Enter Your Electronics & Design Project to earn a $100 Shopping Cart to any element14 transactional site! | Project14 Home |
| Monthly Themes | ||
| Monthly Theme Poll |
Congratulations to makethingstoday for Hello My Name is...In Lights!, kk99 for Cotton LED star with Digispark module, and koudelad for Slot cars starting lights "from the clouds" v0.1.
You are the winners of the Cool LED Display project competition from Project14!
The Cool LED Display competition asked you to come up with a creative way to utilize an LED Display. There were a lot of great projects so the judging was especially challenging. It also coincided with the holiday season and the The Holiday Special event that was taking place. Adding LED to a project is a great way to make anything you do instantly festive, so you could have a project that would fit both themes, and that's how things played out. Because there were so many great projects submitted for this theme, picking just three first place winners was especially challenging, but the three that were picked all made great Project14 projects.
The three first place winners were picked basis of their originality, documenting the steps, sticking to the theme, and submitting video proof. There were a lot of great projects this time around and even the ones that are not listed here, were exciting to see come in. Any of the projects that were mentioned under honorable mention would have made great first place winners so the fact that the judging revolved around so many projects speaks to how many worthy candidates stepped up this time around. It was also nice to see so many new people try their hand at a Project14 project and show others how to make a cool project using LED.
Here are your first place winners:
First Place
Hello My Name is... In Lights by makethingstoday
I also love that Sean included a simplified version of the name tag if you want to use regular LEDs. I think that puts his entry over the top. - Community Member Judge
Have you wanted to stand apart from the crowd at party or event? Tired of boring name tags that make you feel the same as as everyone else? Well, makethingstoday has a simple project, that's guaranteed to get the attention you deserve. With a Hello My Name is...In Light name tag, you'll make yourself instantly memorable and be forever known as that person with the LED name tag that looked so cool. He's provided a link to the 3D printed parts is provided https://www.thingiverse.com/thing:2687490 and given you clear instruction on how you make one yourself using a small arduino, 3 LED lights, paperclips, and a couple of batteries. Its just a really great name tag, that will also come in handy if you are in a room that is not well lit. Who knows? Getting people to notice you is very important in attracting new clients, getting a promotion, and possibly meeting the love of your life who would have otherwise not noticed you!
Cotton LED Star by kk99
Cotton LED star with Digispark module
Interesting idea for creating a light emitting artifact. Easy to build, simple to expand and definitely fun to build one to attract the attention of all home visitors. - Community Member Judge
Creative and strangely cool. - Community Member Judge
Looks fantastic, and full documentation (code and schematics) - Community Member Judge
Very attractive design, combining art and LEDs. - Community Member Judge
This is one of many great projects that kk99 submitted and not the only one that was considered as a first place finisher. There was also Infrared thermometer (featured later) and Simple thermometer which were both really cool projects. Cotton LED star is a simple Christmas decoration that is made from 5 orange LEDs, a few pieces of hotmelt and cotton thread. Each LED Diode is controlled by the digispark module with ATTINY85 module and the program was written using the C language. Source code is attached to the project and schematic is also provided!
This project seemed to really draw the attention of the judges that looked at it and was referred to as "creative and strangely cool" and a combination of "art and LEDs."
Slot Cars by koudelad
Traffic Light Controller from the clouds v0.1
Slot cars starting lights & from the clouds v0.1
Really well documented. Quite an elaborate traffic light controller. - Community Member Judge
A really fun project by the looks of it, for the creator and for the kids that will use it. Pretty well documented. - Community Member Judge
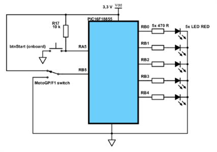
Who doesn't like a project that involves cars? koudelad laid the ground work for this with a Traffic Light Controller he built for his coworker's kids. If you're like him and reminisce for the days where kids played with model cars, built roads and barriers with wooden and plastic blocks, and used LED for things like a police car beacon then this is project you can do with kids to pass your precious memories onto the next generation. The first part of the project involved making a traffic light controller that does approximates the same ones you see on the streets. In the sequel, Slot cars starting lights , his coworker asked him to make the slot car race track. As a MotoGP fan, he began by researching the differences between F1 rules and MotoGP rules and the sequences each uses. The hardware uses 5 red LEDs, one switch and a push button is required to be connected to the PIC. Oscillator was selected at internal low frequency, running at 31 kHz. Here is a simplified schematics with just the external parts connected to the board (one exception is button connected to RA5 and resistor R17, I used them to minimize the number of external components needed). On the software end, the same model is used as in the Traffic Light Controller, there are now two inputs that need to be considered - an F1 / MotoGP start style switch and a button that initiates the starting sequence.
The following projects are excellent and received strong consideration as well....
Honorable Mention
DIY Ferris Wheel by dixonselvan
Great project for fathers and their kids
I loved the time-lapse video and everything explained. Dixon has put a lot of effort into this mini project.- Community Member Judge
Speaking of wheels, dixonselvan was the grand prize winner of the recently completed IoT on Wheels Design Challenges. For him, the holidays are fun when they decorate their place with lights and stars .LEDs are mostly used for this purpose, so he's given a project as one of our judges pointed out is a "great project for fathers and kids." He made a really great DIY video series and provides you with all the required materials including a DC Motor and an Arduino Uno/Mega. Great video, documentation, and a project you can do with your kids next Christmas!
Cool LED Displays: Boost that LED! by jc2048
Cool LED Displays: Boost That LED!
This isn't the first time Jon presented a simple build with all necessary explanation and the best proofs of work - the oscilloscope screens. The discussion below this project even expands the original idea. I hope he will continue with his effort to educate us in analog circuitry designs. - Community Member Judge
jc2048's projects are always great so it's no surprise that Cool LED Displays: Boost That LED! made this list as well. It's also one of the most popular Arduino Projects on the community. This involved a simple bit of experimenting with an Arduino. Rather than just light an LED, jc2048 decided to make it a little bit of a challenge and see if he could light a series string of seven LEDs. The red LEDs he used have a forward voltage of around 2V, so that means he needed something like 13V or 14V to get them illuminated. H could have just used a bench supply to provide the LED voltage but that's not much fun and wouldn't have made a very interesting blog so he generated the voltage from the Arduino's 5V with a very simple and crude boost converter.
Bright H2O Light by julior
Cyclists-safety related project, but very amazing and attracting all surrounding traffic
Nice build, well documented, easy to replicate and/or modify. Very "cool LED display", indeed. - Community Member Judge
I thought that this was very creative and the LED effect was great! - Community Member Judge
Whether you live in a big city where it makes sense for a lot of people to ride bikes rather than sitting behind the wheel in a car on a congested street, or you are riding your bike in a part of the country that does not have a lot of lighting, improving cyclist safety and preventing accidents is a great use of LEDs. This project was especially popular with the judges reviewing the projects and rightfully so. julior used this this opportunity to do a project that makes cyclist safer and decreases the likelihood that they'll get into an accident. His solution is ingenius, a BrightH2O bottle that makes the cyclist more visible! The prototype is based off an Attiny85 development board and it also uses an RGBW LED ring, an 850 mAh rechargeable battery, a Lipo Charger, 3D printed cap, and of course a water bottle.
Infrared Thermometer by kk99
Very nice. Good use of an unusual LED display. - Community Member Judge
Well documented and well built.. - Community Member Judge
In this project kk99 shows you an infrared thermometer with MLX90614 sensor, seven segment display HP QDSP-6040 and ATtiny2313 MCU. The ATtiny2313 MCU communicates with a sensor by SMBus. Measured value of temperature is shown on display. Current per single segment of display is configured to 4.67 mA, so display can be easily driven directly from MCU. The power supply initially used a ML2020 battery, but it was replaced with 200 mAh battery with TP4056 charger module. The housing was made from epoxy resin.
Mini LED Christmas Tree by carmelito
The beauty of this project lies in its simplicity. - Community Member Judge
This was featured in the Project14 | The Holiday Special Winners: A Christmas Miracle! but it was done for Cool LED Display . There was some cross over between the two competition and there's no problem featuring this in both announcements as it was a very popular project around the community.
carmelito did this for the Cool LED Display competition but it fit both themes and still has a chance to win a shopping cart to give one of the first place winners. This was a quick project to get the community in the festive mood. It goes over how to make a simple Mini LED Christmas Tree for your study table/computer desk. It's beauty is in its simplicity.
There was no shortage of eye catching LED displays so here's some more....
Closing Thoughts
Thank you to everyone who volunteered to help judge this competition. Over here, thanks to e14phil for helping with the grand prize winner for The Holiday Special and makerkaren for helping with the first place winners of the Cool LED Display competition.
Great team work!
This has been an exciting couple of months for the program. We'll keep listening to what you guys have to say and continue pushing forward...
















Top Comments