I got a preview of a light harvesting kit from Epishine and element14. Check my intro here.
In this post, I try to analyse the ways of working. I don't have a schematic.It's based on google-research.
There are 3 main modules:
- the photovoltaic cell to turn light into electric energy
- energy harvesting IC with a super cap to collect and store the energy
- a variable buck regulator for the output voltage
Solar Cell: Epishine LEH3_50x50_6
The largest part of the kit is covered by the flexible photovoltaic cell.
This is Epishine's core business: organic solar cells printed on plastic sheet. The company says it uses biopolymers.
For a manufacturer independent view on printed cell technology, I found the explanation of Sadok Ben Dkhil a good read.
You can clearly see the 6 printed elements, and the - also printed - wiring between them.
Epishine suggests on the website that these are for ambient and artificial light conditions.
A soft suggestion. It's not explicitely stated. But all proposed use cases are for those conditions.
Jon has commented that UV light in particular may age them.
The flex design can be interesting. First of all, it allows the manufacturer to produce and ship these on rolls.
That's a way easier process than producing big flat surfaces. Handling in the logistics chain and storage are easier for products "on roll".
It's new technology though. And as of now, it's still difficult to master the production print process, and get stability over time.
Another possible advantage is that these are thin. Very thin. They take up surface, but almost no depth.The
The flex also allows to put them in a design that has a curved outline.
The material isn't hardened and can't be flexed beyond a reasonable point. Designs will have to take that into account.
In the evaluation kit, the cell is fixed on a flexible PCB. The PCB adds protection against over-bending - it is less compliant than the cell.
This combination is a good example of a very thin design that protects the cell against physical force.
The cell surface is exposed. It isn't protected in this kit. Proper care is needed when handling and storing.
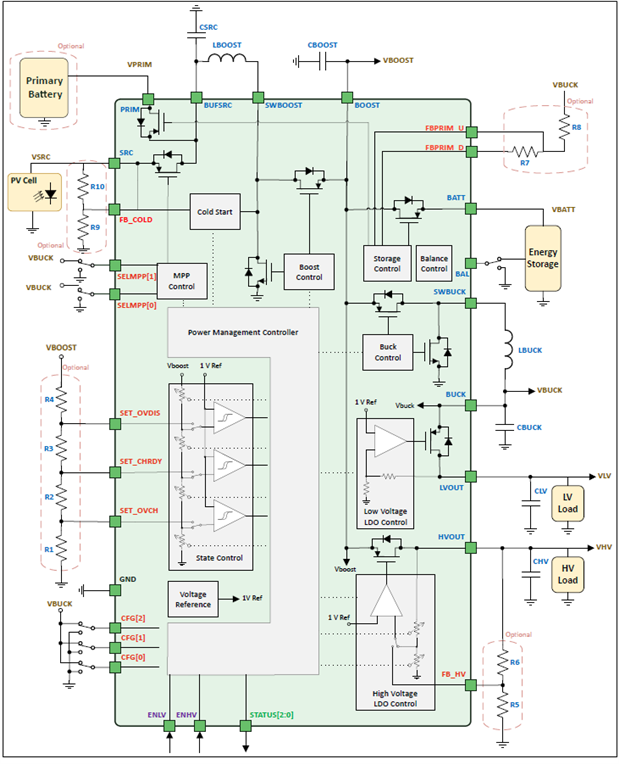
Harvesting Circuit: e-Peas AEM10941 and CAP-xx Super Capacitor
The harvest circuit is an e-Peas solar energy harvesting IC. It's an IC that is specifically designed for this kund of application:
- input from a solar cell
- additional battery sourcing option - it switches to that to extend the on-time when the super cap is discharging.
image source: AEM10941 PRODUCT BRIEF: Functional block diagram
You can find some of this device's parameters back in the kit's spec:
- Cold start from 380 mV
- Automatically switches to the primary battery when the secondary battery is exhausted
On the kit from Epishine, the PV Cell is the fex solar cell. The Primary battery is the optional one that can be connected in.
The Energy Storage is the super CAP.
The CFG [0..2] can be found back on the board too: 0 and 2 pulled down. 1 pulled up. May want to look up what that config means...
The super capacitor is a GA230F CAP-XX 0.40 F, 5 V component. The datasheet is available.
It's made out of two separate capacitors, with a tap in the middle called BAL. The e-Peas IC uses that middle tap.
Like all components in this kit, it's a master of miniaturisation. 400 miliFarads in a component the size of a CR-2032.
The circuit loads the capacitor at 4.5 V. Who remembers the formula to calculate the energy contained by a 0.4 F capacitor at 4.5 V?
Output Circuit: Buck Converter with Selectable Voltage
The output is controlled by a Texas Instruments TPS62740.
The functionality of this step down converter, again, matches the details of the Epishine kit.
- Up to 300mA Output Current
- 16 Selectable Output Voltages in 100mV Steps between 1.8V to 3.3V
They even mention in the application: The input voltage range up to 5.5V allows also operation from a USB port and thin-film solar modules.
The three blocks above result in a nice combination.
When I first looked at the kit, I couldn't imagine that there would be a wealth of electronics to investigate.
Off to the next blog. First measurements ...
| Related blog |
|---|
| Pt 1: intro |
| Pt 2: Circuit Analysis |
| Pt 3: Charge and Discharge |
| Pt 4: Battery Backup |
| Pt 5: test points |







Top Comments