I finally have all four custom PCBs designed and on order so I can spend some time describing the system a bit better.
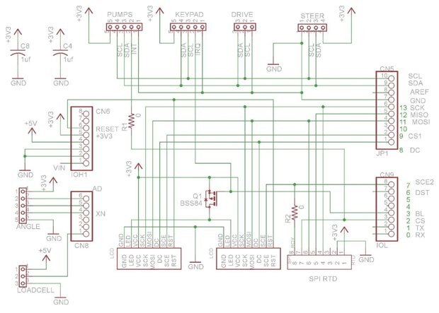
The diagram below shows how all the electrical subsystems are connected in the GraffitiBot.
Although this is a busy diagram with lots of subsystems, there are just as many sensors on the Sensor Tile itself which are not broken out on the diagram.
There are 2 batteries - one will power the pumps and drive motors, the other one will power the rest of the electronics.
The keypad and dual LCDs will form the user interface, although the STMicroelectronics Sensor Tile has BLE on it, so Bluetooth remote control is also a possibility.
The big interconnect card doesn't have a lot of circuitry on it , but in addition to connecting all the subsystems, it serves as a platform for the LCDs. Its size makes it much more expensive than the other custom cards.
Here is a schematic showing how the interconnect card works:
Here is the corresponding PCB layout:
Now that all the electronic subsystems and components are on order I will start working through the mechanical design.
I have already done quite a bit of thinking through of the mechanical design to try and get the long lead components on order.
I think I have most of the mechanical components on order but the detailed design may spawn new component requirements.
Most of the remaining mechanical design will be parts that need to be 3D printed.
I'm not quite sure how many 3D parts will end up in the machine, but I expect around 10.
As expected, this is a complex project with a lot of moving parts, a lot of subsystems, a lot of software and a lot of blogging.
I would like to to doing some software, but getting hardware on order is the priority.
I just hope the Chinese New Year holidays don't impact deliveries too badly. I'm hoping I got the last PCB in under the wire.
Now to get the 3D printer cranked up.....
Relevant Links
Sixth Sense Design Challenge: About This Challenge
Sixth Sense Design Challenge: Technical Documents
GraffitiBot Project Blogs
Sixth Sense GraffitiBot - blog 1
Sixth Sense - Kit Unboxing and Other Parts - GraffitiBot blog 2
Sixth Sense - Sensor Circuits - GraffitiBot blog 3
Sixth Sense - Interfaces - GraffitiBot blog 4
Sixth Sense GraffitiBot - System Interconnect - blog 5
Sixth Sense GraffitiBot - Wheels & Motors - blog 6
Sixth Sense GraffitiBot - ST Sensor Tile App - blog 7
Sixth Sense - Load Cell PCB - GraffitiBot blog 8
Sixth Sense - Magnetic Angle Sensor - GraffitiBot - Blog 9
Sixth Sense - LCD Interface - GraffitiBot - blog 10
Sixth Sense - Pump Controller - GraffitiBot Blog 11
Sixth Sense Main Drive Motor - GraffitiBot - blog 12
Sixth Sense Motor Controller Mods - GraffitiBot blog 13
Sixth Sense - RTD - GraffitiBot Blog 14
Sixth Sense Mechanical Design - GraffitiBot Blog 15
Sixth Sense GraffitiBot Motor Wiring - Blog 16
Sixthe Sense GarffitiBot - First Dry Run - Blog17
Sixth Sense GraffitiBot Hydraulics - Blog 18
Sixth Sense GraffitiBot Printing Graffiti - Blog 19
Sixth Sense GraffitiBot - Summary - Blog 20




Top Comments