Title: Wearable Tracking Device for Miners
By: sunnyiut
Design Challenge: Safe and Sound Wearables
Blog number: 13
Intro:
This blog is about the Hardware design of the wearable device that will be mounted on the wrist of the Miners.
The first part of my Project Proposal is to design a wearable device that contains the sensors for collecting the environmental information.
The Launchpad, sensor boosterpack and other necessary components in-together will be quite big and bulky to fit on the wrist. So, my objective is to design a customized board to make it wearable.
Components of the Wearable Device -
Optional components [Not included in this project proposal] -
These components will be implemented in the Hardware but the Firmware integration is left for future work.
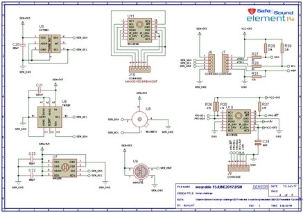
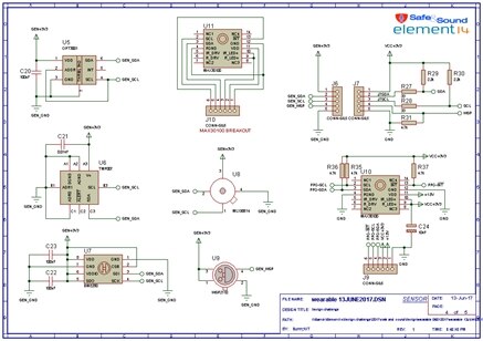
- MAX30100 sensor for Heart rate and SPO2
- WSP2110 sensor for air quality [spec. Benzene]
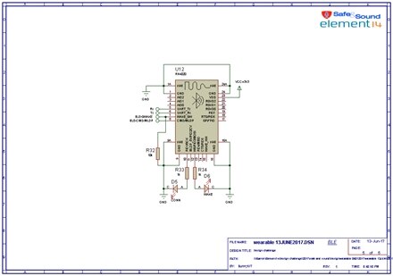
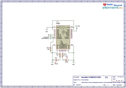
- BLE [RN4020] to send/receive beacons in between miners, in case of emergency
Board Design:
MSP432P401r [MCU and other supportive circuitry] - TFT display -
Sensors - Power supply -
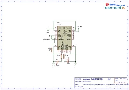
Bluetooth Low Energy -
PCB:
3D Layout:
** that's basically the end of the designing the first part [wearable device] of my proposal. As the time is short, I'll try to develop the board later on, if I can manage some time.
Meanwhile,
I placed the order for PCB fab on 20th June.
Unfortunately, the delivery got stuck into EID vacation [it's a big one in my country
] and customs clearance
However, I have received it yesterday. I don't have much time left for the Project Submission.
So at first I'll post my blogs on the two other parts of my project proposal -
- Miners location detection based on RFID and
- Central monitor to display and log miners' location
My next blog post will be on Reading Miners' RFID tags to detect their location.











