I'm evaluating the Renesas RX65N MCU EV Kit. In this post, I'm reviewing the Sleep power save mode source: application note R01AN4347EJ011: Examples of Transitioning to RX651 Groups Low Power Consumption Modes |
Evaluation Kit Power Domains
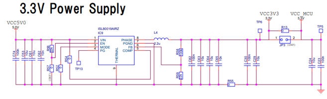
This kit has a good design for measuring microcontroller power consumption. The supply to the CPU can be isolated from any other consumer - such as LEDs, pullup resistors, etc ....
The net for all 3.3V consumers is called VCC_3V3. The net for the microcontroller supplies is named VCC_MCU.
The 0Ω resistor R13 connects the two nets by default. There's a position on the board (JP3) to place a jumper.
source: Envision Kit schematic from Renesas
To prepare the board for current measurement, you have to remove R13 and place a two-pin header in the JP3 position. First remove the LCD.
attention: when you place the LCD back, put an isolation shield between the PCB and LCD.
The LCD back plane is conductive and can short out any trough-hole components.
When you're not measuring the current, place a jumper over JP3. The board will work as before.
source:element.14 online store
If you want to measure current, then remove the jumper and put a current meter over the JP3 pins.
This has to be a low-Burden-voltage meter, because the supplied voltage should not drop significantly below 3.3V.
I use an EEVblog µCurrent, as shown in the drawing below:
In this gallery, you can see the steps to remove R13 and place JP3.
Take care to not heat up the flatflex connector when removing R13.
| {gallery} Prepare the evaluation board for current measurement |
|---|
Preparation:R13 has to be removed, JP3 populated |
Preparation:Bench set-up |
Rework: R13 is desoldered |
Rework: JP3 Placed |
Finished:Test bed ready for current measurement |
Firmware
That part is very easy. The application note R01AN4347EJ0110 comes with example programs for several low power modes.
The one I'm using here is the Power Save Sleep design.
There are only a few simple changes to make to adapt it to the Envision kit (I've attached the project as a zip file t this post):
- In the Smart Configurator, change the board type to the Envision kit (see blog#1 for instructions)
- In the main code, change the LED code to work with the user led on our kit (the SW does not need to be changed, by luck it uses the same pin as the one used in the kit):
#define LED2 (PORT7.PODR.BIT.B0) /* Port Output Data Register for LED */
// ...
while (1)
{
/* ---- When the low power consumption mode is ready, turn on the LED ---- */
LED2 = LED_ON;
/* ---- When the switch is pressed, change to low power consumption mode ---- */
save_power_wait_trigger ();
/* ---- When the trigger occurs, turn off the LED ---- */
LED2 = LED_OFF;
/* ---- Enter low power consumption mode ---- */
R_Config_LPC_Sleep ();
}
} /* End of function main() */
Compile and run.
You can see the power mode in the status bar of the e2 studio. Each push of the button, the design switches between default and sleep mode.
You'll also see that the LED is on in normal mode and off in sleep mode. Don't worry about power consumption. The power for the LED does not flow through JP3.
Measure the Power
I've put the current measure circuit over JP3. That means that it's in series with VCC-MCU.
I've usd a µCurrent in 1mA == 1mV mode, so the measurements below have to be interpreted as mA measures instead of mV.
Normal mode:
The current in normal mode is (average over 50 samples) 14.50021 mA. Voltage at test point 5 (VCC_MCU) is 3.3067 V. Power is approx. 47.95 mW
In sleep mode, the current is 12.25503 mA. VCC_MCU is 3.3081. Power consumption 40.54 mW.
I'll measure the other power save modes in the next posts.














Top Comments