![]() | Enter Your Project for a chance to win an Arduino MKR WAN 1300 Kit with a Compatable Lora Gateway or an MKR 1400 GSM with a Shield Combo + a $100 shopping cart! | Project14 Home |
| Monthly Themes | ||
| Monthly Theme Poll |
Congratulations to ralphjy for Irrigation Sprinkler Control! You are the winner of Arduino IoT Grand Prize Bundle! You Win an Arduino IoT bundle that includes a pair of Arduino MKR 1300 LoRa WAN boards, an MKR Relay Proto Shield, and a Compatible LoRa Gateway!
Congratulations to Jan Cumps for Manage Arduino MKR WIFI 1010 Battery Life in the Cloud, fmilburn for IOT Reflow Oven with Arduino MKR WiFi 1010, and ruchir1674 for Smart Switch Using Arduino and Alexa! You are winners of the Arduino IoT 3 First Place Prizes. You win an Arduino MKR GSM 1400, MKR CAN Shield, MKR-RS485 Shield, MKR Eth Shield, and a $100 Shopping Cart!
Congratulations to aabhas for THING FINDER, ruchir1674 for Home Automation Using Raspberry Pi Matrix Voice and Snips , kk99 for Temperature measurement with Arduino MKR WIFI 1010 and Cloud , jomoenginer for Arduino IoT Cloud controlled MKR Robot ARM: Das Blinken LED , rsc for Arduino IoT in the Cloud - Door Alarm , and nishanchettri for IOT and RFID based medicine prescription. You received first place votes from the judges and will receive free element14 swag!
Last year we celebrated Arduino Day with an Open Arduino competition that also celebrated the first birthday of Project14 with an open ended Arduino competition. Since, the program began, Arduino has always been a popular choice for projects. The IoT: In the Cloud competition was already planned. It wasn't specific to Arduino but we did send out a limited number of Arduino 1010 boards to people that participated in Open Arduino last year. The idea was that we could celebrate Arduino's Birthday by helping support their new cloud service, Arduino IoT Cloud. But, that wasn't your only option. In fact, you could use whatever technology you like and whatever cloud service you chose. Still, it should come as no surprise that there were a lot of great Arduino projects that used the 1010 board. Like last year, its only fitting that the winners announcement celebrating the birthday of Arduino came on the same day as the winners announcement of Project14. We were a day late (originally planned for geek pride day and the anniversary of the release of the first Star Wars movie) but we hope that you can find it in your heart to forgive us.
This competition produced some amazing projects and with the Arduino IoT prizes, we hope the IoT project trend continues on the community.
Without further adieu here are your winners...
| {tabbedtable} Tab Label | Tab Content | ||||||||||||||||||||||||||||||||||
|---|---|---|---|---|---|---|---|---|---|---|---|---|---|---|---|---|---|---|---|---|---|---|---|---|---|---|---|---|---|---|---|---|---|---|---|
| The Winners | The Grand Prize
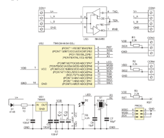
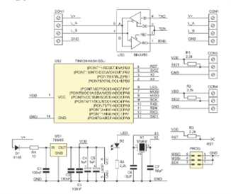
Irrigation Sprinkler Control by ralphjy :
3 First Place PrizesManage Arduino MKR WIFI 1010 Battery Life in the Cloud by Jan Cumps:
IOT Reflow Oven with Arduino MKR WiFi 1010 by fmilburn:
Smart Switch Using Arduino and Alexa by ruchir1674:
| ||||||||||||||||||||||||||||||||||
| Runners Up |
Runners Up
Each of the following projects received first place votes from the judges.
Arduino IoT Cloud Controlled MKR Robot Arm by jomoenginer:
THING FINDER by aabhas:
Home Automation Using Raspberry Pi Matrix Voice and Snips by ruchir1674:
Temperature measurement with Arduino MKR WIFI 1010 and Cloud by kk99:
Arduino IoT in the Cloud - Door Alarm by rsc:
IOT and RFID based medicine prescription by nishanchettri:
| ||||||||||||||||||||||||||||||||||
What's Happening Now
There's always stuff going on in the community and the best ideas always come from you. Suggest your idea in the Monthly Poll! and vote on the themes you want to do projects on. Build projects that use NFC or RFID for applications such as access control, asset tracking and contactless payments in the NFC/RFID competition. Or, build projects that use a configurable programmable logic device such as FPGA or CPLD in our projects that use a configurable programmable logic device such as FPGA or CPLD in the Programmable Logic competition. We're giving away a limited number of Arduino MKR VIDOR 4000 boards for project proposals that use them. We're giving away a limited number of Arduino MKR VIDOR 4000 boards for project proposals that use them.
Also be sure to sign up for the second Project14 live stream:
Thank you for continued support of Project14 !
Summer is coming soon!
In the comments below:










































Top Comments