While I was watching one of the Intel Edison videos, they talked about suppliers.
When I first purchased my Intel Edison, they were so new that third party manufacturers hadn't geared up to support them.
Intel had produced a couple but IMO they were limited either by the size, or by a lack of onboard level conversion, hence it sat waiting.
Roll forward to 2017 and those third party maufacturers have come to the party.
More importantly the price supports makers that want/need to incorporate them.
DF ROBOT
DF Robot have produced a low cost Expansion that incorporates level conversion, external power and headers that suit brick style sensors.
https://www.dfrobot.com/product-1244.html
Photo source www.DFRobot.com
The price is very reasonable at USD$13.90 and at 70 x 55 mm its larger but useful.
Photo source www.DFRobot.com
The folks at Df Robot have included a schematic and a good explanation of the pins in their wiki.
https://www.dfrobot.com/wiki/index.php/IO_expansion_board_for_Edison_SKU:DFR338
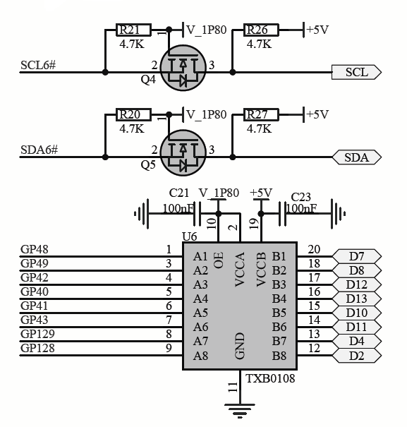
Image source www.DFRobot.com
The D0-D13 pins are 5v level, which gives a wide range of sensor compatibility and are fed via a TI TXB0108 ( TXB0108 8-Bit Bidirectional Voltage-Level Shifter with Auto Direction Sensing and +/-15-kV ESD Protect | TI.com ) with 15KV ESD protection.
I was interested to see that the I2C are fed via discrete devices directly from the Edison, and have the 4k7 pullup already fitted.
So it looks like I have some playing to do this afternoon.
Mark
These started as a simple blog, but has now grown over a few posts, so an index is appropriate.




Top Comments