![]() | Enter Your Project for a chance to win a grand prize for the most innovative use of Arduino or a $200 shopping cart! The Birthday Special: Arduino Projects for Arduino Day! | Project14 Home |
| Monthly Themes | ||
| Monthly Theme Poll |
Arduino Powered MSE-6 (Mouse Droid) by jomoenginer
Arduino Powered MSE-6 (Mouse Droid)
Arduino Powered MSE-6 (Mouse Droid) - Arduino Uno and FreeRTOS
Arduino Powered MSE-6 (Mouse Droid) - Arduino Yun UI
Arduino Powered MSE-6 (Mouse Droid) - Droid in Action
A simple but scary gift of The Monster Book of Monsters (Harry Potter) by beagles
Exploding Kittens Soundboard by fvan
NTSC/PAL Video Display Shield by Wolfgang Friedrich's Blog
BirthdaySpecial: MEGATRON32 - AVR Dev Board by sunnyiut
ArduTrx - a 2-meter-band ham radio transceiver with Arduino by bernhardmayer
RobotBobLet by dubbie
RoboBobLet #2 : The Basic Chassis
RoboBobLet #5 : A Laser RangeFinder
RoboBobLet #6 The Scanning Laser Rangefinder
RoboBobLet #7 : Adding a Pixy Camera
RoboBobLet#8 : The Final Assembly
Long Shower = Candle Power by Sean_Miller
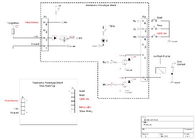
Remote (Water) Temperature Monitoring by ntewinkel
Remote (Water) Temperature Monitoring















Top Comments